Set obsahuje
- předstěnový instalační modul Geberit Duofix se splachovací nádržkou pod omítku
- keramický závěsný klozet kielle Oudee se sedátkem SoftClose
- ovládací tlačítko Geberit Sigma01 pro 2-činné splachování
- soupravu pro tlumení hluku
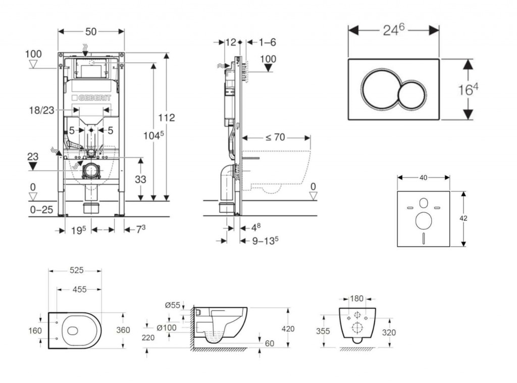
Předstěnový instalační modul Duofix pro závěsné WC se splachovací nádržkou Sigma 12 cm
- pro konstrukce prováděné suchým procesem
- k montáži do předstěnových instalací částečně vysokých nebo vysokých na výšku místnosti
- k montáži do instalačních stěn vysokých na výšku místnosti
- k montáži do systémových stěn Geberit Duofix částečně vysokých nebo vysokých na výšku místnosti
- pro závěsná WC s připojovacími rozměry podle EN 33 a přesahem do 70 cm
- pro 1-činné, 2 -činné nebo Start/Stop splachování
- pro tloušťky podlahy 0–25 cm
Vlastnosti
- samonosný rám s nanesenou práškovou barvou
- rám připravený pro podpěry u WC keramik s malou opěrnou plochou
- podpěry pozinkované
- podpěry s protiskluzovou úpravou
- patní desky otočné, vhodné pro montáž do U-profilů UW 50 a UW 75
- připojovací koleno pro montáž bez nářadí v různých hloubkách, rozsah nastavení 45 mm
- splachovací nádržka pod omítku izolovaná proti orosování
- u nastavení z výroby je možné okamžité dodatečné spláchnutí
- montážní a servisní práce na splachovací nádržce pod omítku bez nářadí
- přívod vody vzadu nebo nahoře uprostřed
- kryt pro hrubou montáž pro servisní otvor chrání před vlhkostí a nečistotami
- kryt pro hrubou montáž pro servisní otvor s možností zkrácení
- vybaven trubkovou chráničkou pro přívodní potrubí k připojení sprchovacích WC Geberit AquaClean
- s možností upevnění pro přívod elektřiny
Technické údaje
- tlak při průtoku: 10-1000 kPa
- maximální teplota vody: 25 °C
- splachovací množství, nastavení ve výrobě: 6 a 3 l
- velké splachovací množství, rozsah nastavení: 4 / 4.5 / 6 / 7.5 l
- malé splachovací množství, rozsah nastavení: 2-4 l
- výpočtový průtok: 0.09 l/s
- minimální přetlak pro výpočtový průtok: 10 kPa
Obsah dodávky
- přívod vody R 1/2", vhodný pro MF, s integrovaným rohovým ventilem a ručním ovládacím kolečkem
- kryt pro hrubou montáž pro servisní otvor
- připojovací souprava pro WC, Ø 90 mm
- připojovací koleno 90° z PE-HD, Ø 90 mm
- přechodka z PE-HD, Ø 90 / 110 mm
- upevňovací materiál
Závěsné WC se sedátkem
- Vortex Rimless - bezokrajové provedení, zajišťuje dokonalé očištění toalety pomocí vodního víru
- barva: bílá
- rozměry: 525 x 360 mm
- skryté upevnění
- hluboké splachování
- splachovací objem 4/6 l
WC sedátko
- s funkcí pomalého sklápění SoftClose
- barva: bílá
- EasyLock lehce odnímatelné pro snadnou údržbu
Ovládací tlačítko Sigma01, pro 2-činné splachování
- k ovládání splachování u splachovacích nádržek pod omítku Geberit Sigma
- ovládání zepředu
- tyčky tlačítka zvukově izolované, rychlé nastavení bez nářadí
- rozměry: 246 x 164 mm
- materiál: plast
- provedení: alpská bílá
- ovládací síla:
- obsahuje: upevňovací rámeček, 2 stavitelné úchytky, 2 tyčky tlačítka
Protihluková sada
- pro závěsné WC nebo závěsný bidet
- pro montáž keramiky se vzdáleností upevnění 18 cm nebo 23 cm
- přerušuje přenos hluku u WC a bidetu
- materiál: polyetylén-pěna
- obsahuje: 1x zvukově izolační vložku, 2x podložku
Parametry
| Kód | SANI11CA3173B |
|---|
Na balení si zakládáme! Prohlédněte si, jak připravujeme a zabalíme Vaši objednávku.
