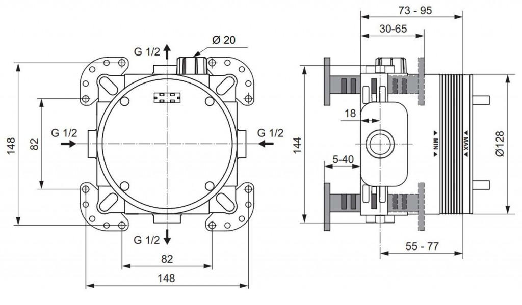
Univerzální podomítkový díl EASY-Box
- pro předmontáž pro vanové, sprchové a termostatické baterie
- pro všechny typy montáže - montáž do stěny, na stěnu, před stěnu a montáž na podpěrné systémy
- 4 úchytné nástavce s upevňovacím systémem FAST-FIX
- přečnívající přípojky G1/2
- proplachovací díl
- těsnicí kroužek
- montážní návod
- montáž přímo nebo s nastavitelnou výškou
- celková hloubka 73 - 95 mm
- nastavitelná hloubka 5 - 40 mm
- ochrana proti hluku DIN 4109, třída 1.
- podomítkový díl EASY-Box je použitelný pouze v kombinaci s dílem podomítkových baterií
Parametry
| Kód | A1000NU |
|---|
Na balení si zakládáme! Prohlédněte si, jak připravujeme a zabalíme Vaši objednávku.
