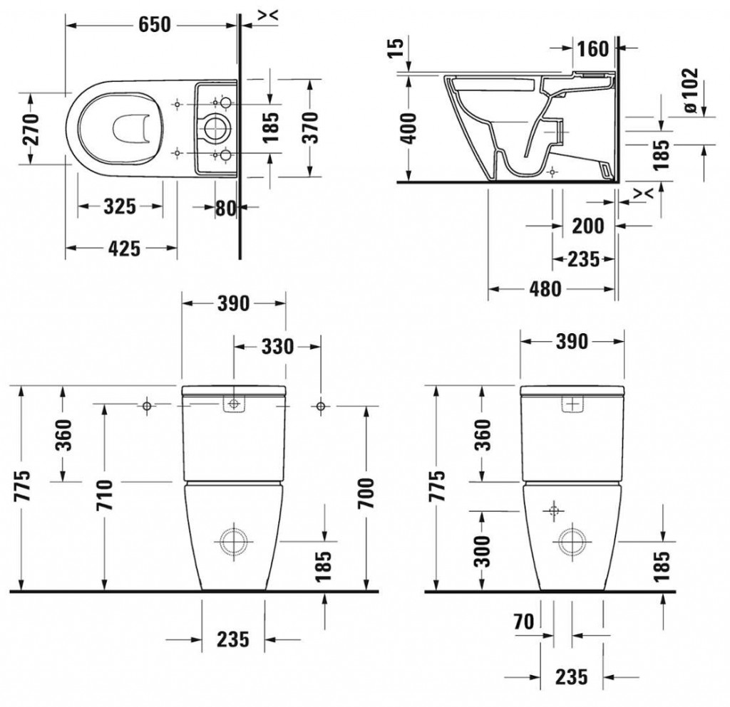
WC kombi mísa pro splachovací nádržku
- rozměry: 370 x 650 x 400 (415) mm
- materiál: sanitární keramika
- Rimless bezokrajové provedení
- hluboké splachování, objem 4,5 l
- provedení odpadu: pro vario připojovací sadu - odpad vodorovný a svislý od 70-170 mm (délka nastavitelná), stejně jako Vario připojovací koleno - odpad svislý od 155-225 mm
- instalace: usazením na podlahu
- sada pro upevnění je součástí dodávky
Ilustrativní fotografie, splachovací nádržka a WC sedátko nejsou součástí balení, je třeba objednat zvlášť.
Parametry
| Kód | 2002090000 |
|---|
Na balení si zakládáme! Prohlédněte si, jak připravujeme a zabalíme Vaši objednávku.
