Montážní prvek Duofix pro výlevku, se splachovací nádržkou pod omítku Delta 12 cm, nástěnná armatura na omítku
- pro kovové a dřevěné sloupkové stěny
- k montáži do jednoduchých stěn prováděných suchým procesem
- k montáži do čelních stěn částečně vysokých nebo vysokých na výšku místnosti
- k montáži do dělicích stěn vysokých na výšku místnosti
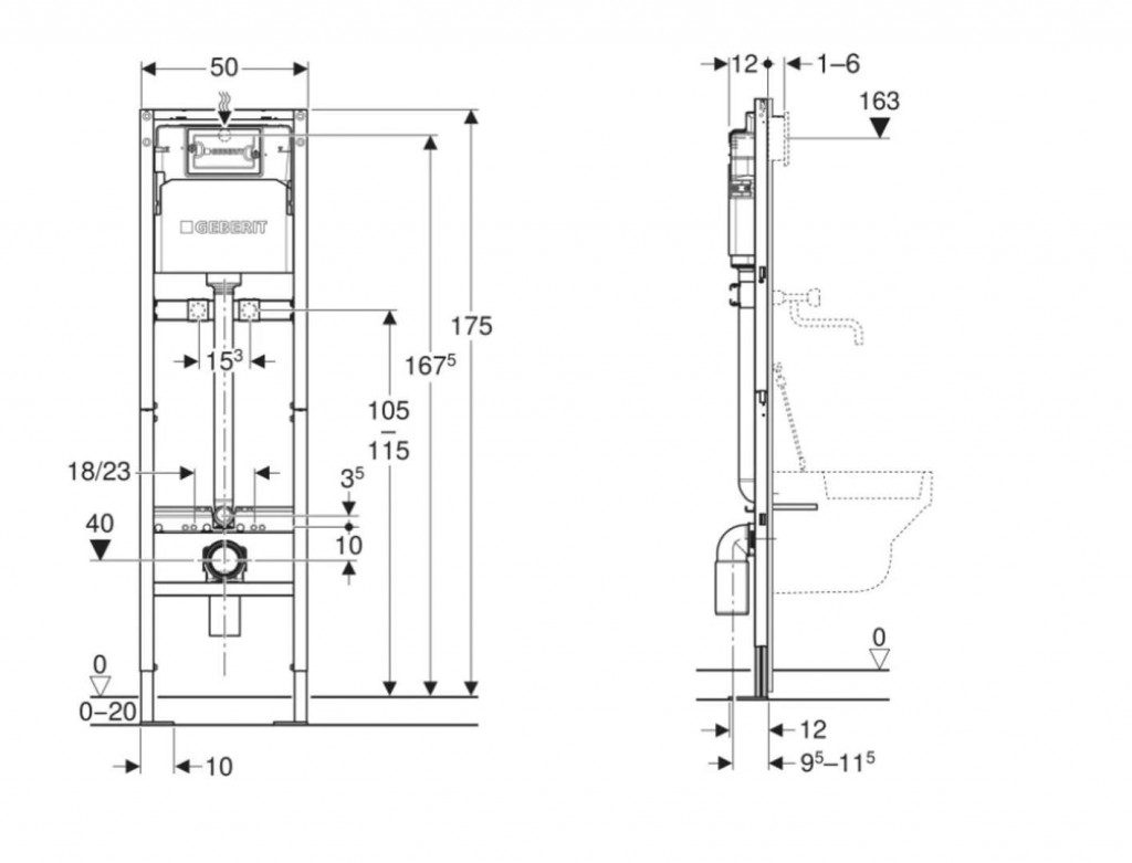
- pro tloušťky podlahy 0–20 cm
- pro montáž výlevky Publica s nástěnnou armaturou
- pro armatury na omítku
Vlastnosti
- samonosný rám s nanesenou práškovou barvou
- rám rozdělený na dvě části
- s výsuvnou deskou pro boční upevnění nad montážním prvkem na kovové nebo dřevěné profily nebo na systémové stojiny Geberit Duofix
- alternativní montážní poloha pro nástěnné kotvy
- s velkými patními deskami, zesílený, pro zvýšený přenos zatížení do podlahy
- pozinkované podpěry, chráněné proti korozi, s protiskluzovými vlastnostmi
- splachovací nádržka pod omítku Geberit Delta 12 cm, s izolací proti orosování
- pro ovládání zepředu, vhodné pro 1 množství splachování, 2 množství splachování a splachování Start/Stop
- u nastavení z výroby je možné okamžité dodatečné spláchnutí
- přívod vody vzadu nebo nahoře uprostřed
- příčník pro připojení armatur pozinkovaný
- deska pro připojení armatur výškově nastavitelná
Technické údaje
- max.teplota vody: 25 °C
- splachovací množství, nastavení ve výrobě: 6 a 3 l
- velké splachovací množství, rozsah nastavení: 4.5 / 6 / 7.5 l
- malé splachovací množství, rozsah nastavení: 3-4 l
Obsah dodávky
- rohový ventil R 1/2, vhodný pro MF, s adaptérovým kroužkem
- kryt pro hrubou montáž pro servisní otvor, z pěnového polystyrenu
- 4x soupravy pro ukotvení do stěny
- 2x ochranné zátky
- odpadní připojovací sada pro WC, Ø 90 mm
- připojovací koleno 90° z PVC, Ø 90 / 100 mm
- 6x kotvy M8
- upevňovací materiál
Souprava pro předstěnovou montáž není součástí dodávky, je třeba objednat zvlášť
Parametry
| Kód | 111.569.00.2 |
|---|
Na balení si zakládáme! Prohlédněte si, jak připravujeme a zabalíme Vaši objednávku.
