Instalační prvek pro sprchu, s odtokem ve stěně
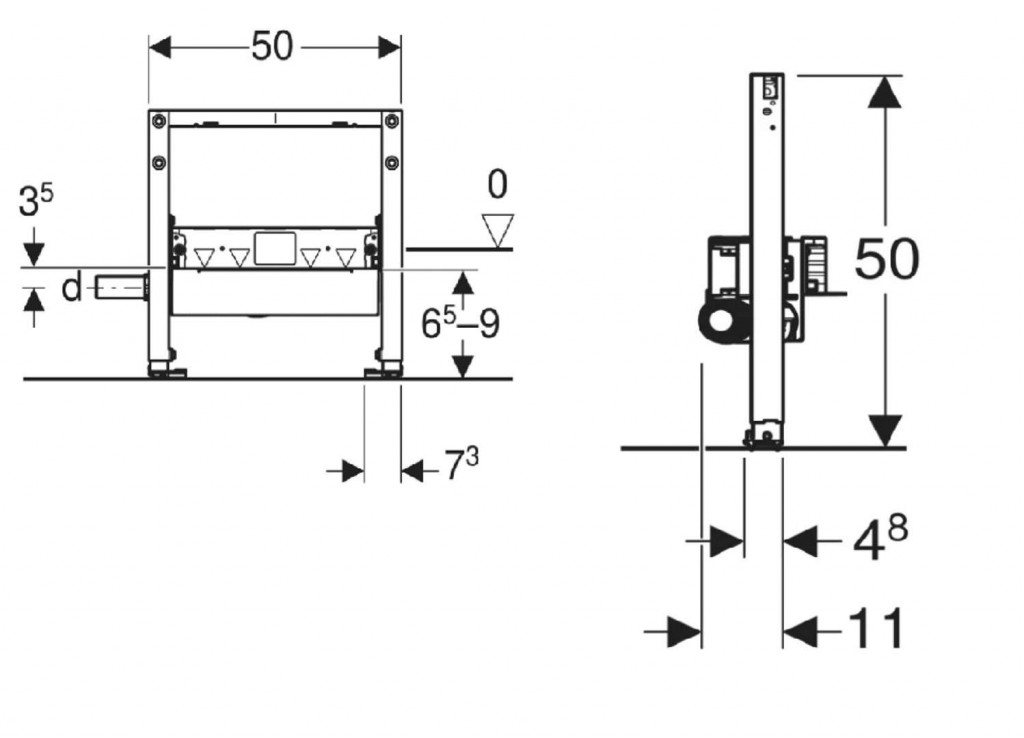
- stavební výška: 50 cm (H)
- rozměry: DN40, d = Ø 40 mm, B = 50 cm, T = 11 cm
- pro výšku mazaniny u vtoku: 65–90 mm
Účel použití
- pro kovové a dřevěné sloupkové stěny
- pro systémové stěny Geberit Duofix
- k montáži do čelních stěn vysokých na výšku místnosti
- pro domovní koupelny
- k montáži při velmi malé tloušťce podlahy
- k odvodnění sprch v úrovni podlahy
- pro výšku mazaniny ≥ 65 mm u vtoku
- pro sdružené izolace
- k zachycení odpadní vody jedné samostatné sprchové hlavice
Vlastnosti
- výška vodního uzávěru jen 30 mm se liší od požadavků normy EN 1253
- samonosný rám s nanesenou práškovou barvou
- rám s vrtanými otvory Ø 9 mm pro upevnění do dřevěné konstrukce
- podpěry s protiskluzovou úpravou
- patní desky otočné
- hloubka patní desky vhodná k montáži do U profilů UW 50 a do systémových profilů Geberit Duofix
- nastavitelná výška vtoku zápachové uzávěrky
- tloušťka opláštění 10–40 mm
- určeno pro tloušťky obkladu na podlahu 2–26 mm
- určeno pro tloušťky obkladu na podlahu 2–35 mm
- úroveň dotěsnění pro napojení bez pnutí těsnění nastavitelná
- připojení odpadu boční Integrovaná těsnící netkaná textilie
- těsnicí netkaná textilie s obvodovým přesahem 10 cm, pro napojení těsnicích systémů
Technické údaje
- výška vodního uzávěru: 30 mm
Obsah dodávky
- připojovací trubka z PE-HD, Ø 40 mm
- ochranný kryt s integrovaným vtokovým plechem
- upevňovací materiál
Souprava pro předstěnovou montáž není součástí dodávky, je třeba objednat zvlášť.
Parametry
| Kód | 111.593.00.2 |
|---|
Na balení si zakládáme! Prohlédněte si, jak připravujeme a zabalíme Vaši objednávku.
