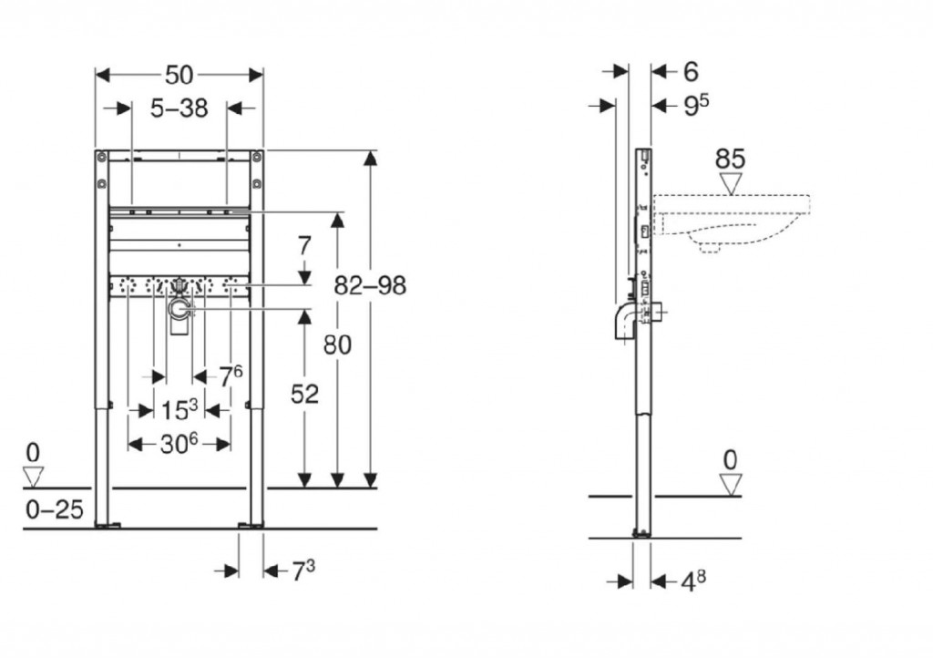
Montážní prvek Geberit Duofix pro umyvadlo, 82–98 cm, stojánková armatura
Účel použití
- Pro kovové a dřevěné sloupkové stěny
- Pro systémové stěny Geberit Duofix
- K montáži do částečně vysokých čelních stěn
- Pro tloušťky podlahy 0–25 cm
- K montáži umyvadel
- Pro stojánkové armatury
Vlastnosti
- Staticky samonosný rám, chráněný proti korozi práškovým potahem
- Alternativní montážní poloha pro nástěnné kotvy
- Patní desky lze otáčet, vhodné pro montáž do U profilů UW 50 a UW 75
- Patní desky lze instalovat do systémové lišty Geberit Duofix bez nářadí, bez dalších komponentů
- Pozinkované podpěry, chráněné proti korozi, s protiskluzovými vlastnostmi
- Rozteč upevnění umyvadla 5–38 cm
- S roztečí upevnění 18 nebo 28 cm, nastavitelná hloubka závitových tyčí
- Upevnění pro připojovací koleno výškově nastavitelné a zvukově izolované
- Příčník pro připojení armatur výškově a hloubkově stavitelný
Obsah dodávky
- 2 nástěnky Rp 1/2" / R 1/2", vhodné pro MeplaFix
- 2 zvukově izolační podložky
- 2 zvukově izolační pouzdra
- Připojovací koleno z PE-HD, Ø 50 mm
- Těsnění Ø 44 / 32 mm
- Upevňovací materiál
Souprava pro předstěnovou montáž není součástí dodávky, je třeba objednat zvlášť
Parametry
| Kód | 111.485.00.2 |
|---|
Na balení si zakládáme! Prohlédněte si, jak připravujeme a zabalíme Vaši objednávku.
