Obsahuje
- předstěnový instalační prvek Geberit Duofix (111.355.00.5), se splachovací nádržkou pod omítku, k instalaci mezi boční stěny
- soupravu pro tlumení hluku (SP 156SET)
- keramický závěsný klozet Ideal Standard Tesi (T007801)
- duroplastové ultra ploché WC sedátko Ideal Standard Tesi (T352801)
- 2-činné ovládací tlačítko Geberit Sigma01, barva: alpská bílá (115.770.11.5)
Tento instalační set je dostupný v dalších variantách provedení ovládacího tlačítka.
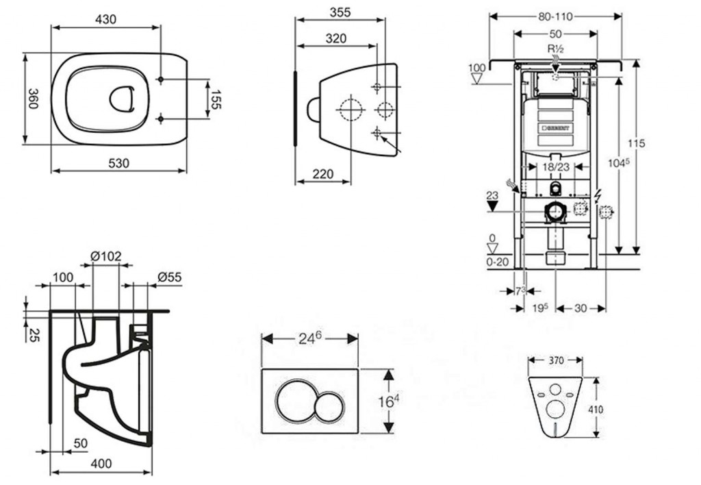
Montážní prvek Duofix pro závěsné WC se splachovací nádržkou pod omítku Sigma 12 cm, k instalaci mezi boční stěny
Specifikace montáže
Montážní prvek pro suché procesy určený k montáži mezi dvě stěny. Jeho uchycení do stran oceníte všude tam, kde zadní stěna není dostatečně únosná, nebo kde je uchycení do bočních stěn technicky jednodušší. Ideálně se hodí např. do montovaných dřevostaveb nebo bytových jader panelových domů. Konstrukce rámu umožňuje jednoduché a spolehlivé upevnění mezi dvě stěny. Připevnit ho lze prakticky do jakéhokoliv stavebního materiálu, od panelu přes vyzdívanou (např. cihelnou, ytongovou) nebo dřevěnou stěnu až po nosník lehké sádrokartonové příčky (např. Knauf nebo Rigips).
Účel použití
- pro konstrukce prováděné suchým procesem
- k montáži do předstěnových instalací částečně vysokých nebo vysokých na výšku místnosti
- k montáži do instalačních stěn vysokých na výšku místnosti
- k montáži do systémových stěn Geberit Duofix částečně vysokých nebo vysokých na výšku místnosti
- K montáži do úzkých prostor a výklenků
- pro závěsná WC s připojovacími rozměry podle EN 33:2011
- pro závěsná WC s vyložením do 62 cm
- pro 1 množství splachování, 2 množství splachování nebo splachování Start/Stop
- pro tloušťky podlahy 0–20 cm
Vlastnosti
- samonosný rám s nanesenou práškovou barvou
- nastavitelný do šířky
- rám s vrtanými otvory Ø 9 mm pro upevnění do dřevěné konstrukce
- rám připravený pro podpěry u WC keramik s malou opěrnou plochou
- podpěry pozinkované
- podpěry nastavitelné 0–20 cm
- podpěry s protiskluzovou úpravou
- patní desky otočné
- hloubka patní desky vhodná k montáži do U profilů UW 50 a UW 75 a do systémových profilů Geberit Duofix
- připojovací koleno pro montáž bez nářadí v různých hloubkách, rozsah nastavení 45 mm
- upevnění připojovacího kolena zvukově izolované
- splachovací nádržka pod omítku s ovládáním zepředu
- splachovací nádržka pod omítku izolovaná proti orosování
- u nastavení z výroby je možné okamžité dodatečné spláchnutí
- montážní a servisní práce na splachovací nádržce pod omítku bez nářadí
- přívod vody vzadu nebo nahoře uprostřed
- kryt pro hrubou montáž pro servisní otvor chrání před vlhkostí a nečistotami
- kryt pro hrubou montáž pro servisní otvor s možností zkrácení
- vybaven trubkovou chráničkou pro přívodní potrubí k připojení sprchovacích WC Geberit AquaClean
- s možností upevnění pro přívod elektřiny
Technické údaje
- tlak při průtoku: 10-1000 kPa
- maximální teplota vody: 25 °C
- splachovací množství, nastavení ve výrobě: 6 a 3 l
- velké splachovací množství, rozsah nastavení: 4.5 / 6 / 7.5 l
- malé splachovací množství, rozsah nastavení: 3-4 l
Obsah dodávky
- přívod vody R 1/2", vhodný pro MF, s integrovaným rohovým ventilem a ručním ovládacím kolečkem
- kryt pro hrubou montáž pro servisní otvor
- připojovací souprava pro WC, Ø 90 mm
- připojovací koleno 90° z PE-HD, Ø 90 mm
- přechodka z PE-HD, Ø 90 / 110 mm
- 2 ochranné zátky
- 2 závitové tyče M12
- upevňovací materiál
Závěsný klozet Ideal Standard Tesi
- pro podomítkovou nádržku se splachovací kapacitou od 4,5 l
- rozměry: 360 x 530 x 335 mm
- materiál: sanitární keramika
- skryté upevnění
- hluboké splachování
- glazováno pod kruhem
Ovládací tlačítko Sigma01, pro 2 množství splachování
- rozměry: 246 x 164 mm
- materiál: plast
- barva provedení: alpská bílá
- k ovládání splachování u splachovacích nádržek pod omítku Geberit Sigma
- upevňovací rámeček
- 2 stavitelné úchytky
- 2 tyčky tlačítka
- tyčky tlačítka jsou zvukově izolované, rychlé nastavení bez nářadí
Parametry
| Kód | 111.355.00.5 NF1 |
|---|
Na balení si zakládáme! Prohlédněte si, jak připravujeme a zabalíme Vaši objednávku.
