Set obsahuje
- předstěnový instalační modul Geberit Duofix se splachovací nádržkou pod omítku
- kompaktní závěsný klozet kielle Gaia se sedátkem SoftClose
- ovládací tlačítko Geberit Delta01 pro 2-činné splachování
- soupravu pro tlumení hluku
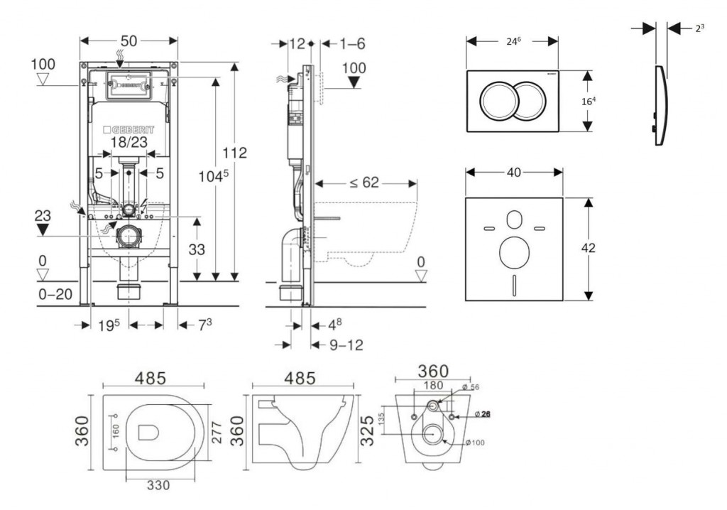
Předstěnový instalační modul Duofix pro závěsné WC se splachovací nádržkou Delta 12 cm
- pro zabudování do předstěnové instalace na částečnou nebo celou výšku místnosti před masivní stěnou nebo stěnou prováděnou suchým procesem
- pro tloušťku podlahy 0 - 20 cm
- pro ovládání zepředu
- pro ovládání pomocí Geberit ovládacích tlačítek Delta
- pro připojení Geberit AquaClean
- nevhodný pro zabetonování
Vlastnosti
- geberit Delta splachovací nádržka pod omítku 12 cm (UP100), ovládání zepředu
- samonosný rám s nanesenou práškovou barvou
- rám pro nástěnné WC s připojovacími rozměry dle EN 33 a přesahem do 62 cm
- alternativní montážní poloha pro nástěnné kotvy
- podpěry pozinkované
- hloubka základní desky vhodná pro instalaci do U-profilů UW 50
- připojovací koleno lze namontovat bez použití nářadí
- splachovací nádržka pod omítku izolovaná proti orosování
- pro 1-činné, 2 -činné nebo Start/Stop splachování
- u nastavení z výroby je možné okamžité dodatečné spláchnutí
- přípojka vody vzadu nebo nahoře uprostřed
- vybaven trubkovou chráničkou pro přívodní potrubí k připojení sprchovacích WC Geberit AquaClean
- s možností upevnění pro přívod elektřiny
Technické informace
- tlak při průtoku: 10-1000 kPa
- maximální teplota vody: 25 °C
- splachovací množství, nastavení ve výrobě: 6 a 3 l
- velké splachovací množství, rozsah nastavení: 4 / 4.5 / 6 / 7.5 l
- malé splachovací množství, rozsah nastavení: 2-4 l
- výpočtový průtok: 0.09 l/s
- minimální přetlak pro výpočtový průtok: 10 kPa
Rozsah dodávky
- přívod vody R 1/2", vhodný pro MF, s integrovaným rohovým ventilem a ručním ovládacím kolečkem
- kryt pro hrubou montáž pro servisní otvor
- připojovací souprava pro WC, Ø 90 mm
- připojovací koleno 90° z PE-HD, Ø 90 mm
- přechodka z PE-HD, Ø 90 / 110 mm
- 2x distanční šrouby
- 2x nástěnné kotvy
- upevňovací materiál
Kompaktní závěsné WC Gaia
- barva: bílá
- rozměry: 360 x 485 mm
- Rimless bezokrajové provedení
- skryté upevnění
- hluboké splachování
- splachovací objem 4/6 l
WC sedátko
- barva: bílá
- s funkcí pomalého sklápění SoftClose
- lehce odnímatelné pro snadnou údržbu
Ovládací tlačítko Delta01, pro 2-činné splachování
- rozměry: 246 x 164 mm
- materiál: plast
- provedení: matný chrom
- ovládací síla:
- obsahuje: upevňovací rámeček, 2 stavitelné úchytky, 2 tyčky tlačítka
Protihluková sada
- pro závěsné WC nebo závěsný bidet
- pro montáž keramiky se vzdáleností upevnění 18 cm nebo 23 cm
- přerušuje přenos hluku u WC a bidetu
- materiál: polyetylén-pěna
- obsahuje: 1x zvukově izolační vložku, 2x podložku
Parametry
| Kód | SANI11CA1131B |
|---|
Na balení si zakládáme! Prohlédněte si, jak připravujeme a zabalíme Vaši objednávku.
