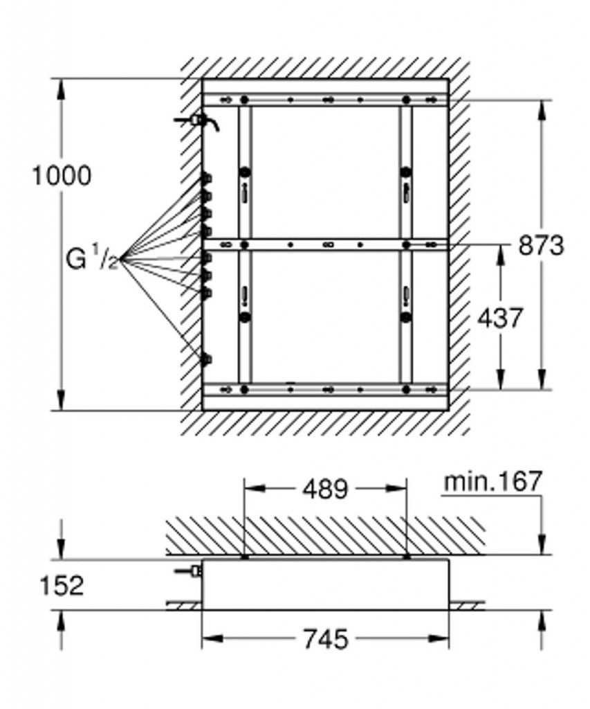
pro použití s Rainshower F-Series 40“ AquaSymphony stropní sprchou 1000 mm x 745 mm x 152 mm
min. instalační hloubka 167 mm
vodní cesty: mosaz
DN 15 připojení
Stropní konstrukce musí být staticky vhodná pro váhu produktu (> 70 kg). Stropní sprcha musí mít 8 vývodů + 1 vývod pro ruční sprchu a výkon odpadu musí být
dostatečný (> 100 l/min). Pro detailní plánování si pečlivě prostudujte instalační návod.
Parametry
| Kód | 26376001 |
|---|
Na balení si zakládáme! Prohlédněte si, jak připravujeme a zabalíme Vaši objednávku.
