Montážní prvek Kombifix pro závěsné WC se splachovací nádržkou pod omítku Omega 12 cm
Účel použití
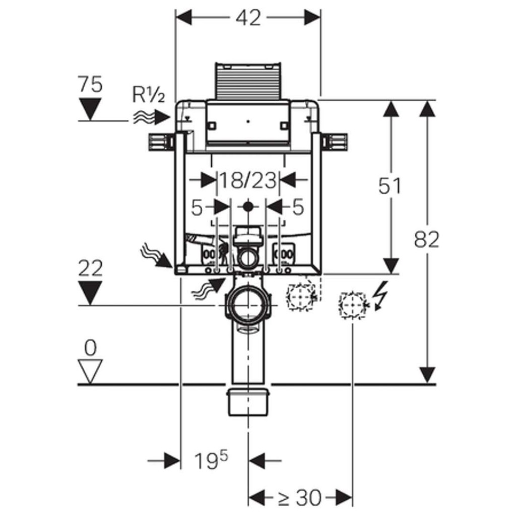
- Pro montáž závěsného WC se vzdáleností upevnění 18 cm nebo 23 cm
- Pro zabudování mokrým procesem do zděné předstěnové instalace
- Pro zděné stěny
- Pro zabudování do částečně vysoké předstěnové instalace
- Pro 2 množství splachování
- Nevhodný pro zabetonování
- Nevhodný pro zabudování do lehkých příček
Vlastnosti
- Povrch rámu upravený práškovou barvou, se 4 připevňovacími úhelníky
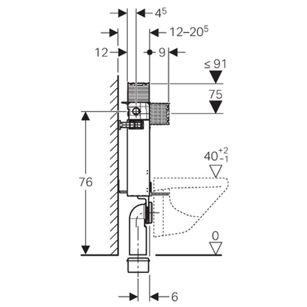
- Nastavitelná montážní hloubka, 12-20.5 cm
- Odpadní připojovací koleno pro montáž bez nářadí
- Upevnění připojovacího kolena lze montovat zepředu bez nářadí
- Splachovací nádržka pod omítku s ovládáním shora nebo zepředu, izolace proti orosování
- Nastavitelné splachovací množství
- Splachovací nádržka pod omítku pro montáž a servisní práce bez nářadí
- Přívod vody z boku, vlevo nebo vzadu vlevo
- Kryt pro hrubou montáž chrání servisní otvor proti vlhkosti a nečistotám
- Kryt pro hrubou montáž pro servisní otvor s možností zkrácení
- Vybaven trubkovou chráničkou pro přívod vody pro Geberit AquaClean
Technické informace
- Výpočtový průtok: 0,11 l/s
- Minimální tlak při průtoku: 0.05 MPa
- Minimální tlak při průtoku: 50 kPa
- Rozsah tlaku vody: 0.01-1.0 MPa
- Rozsah tlaku vody: 10–1000 kPa
- Maximální provozní teplota vody: 25 °C
- Splachovací množství nastavení z výroby: 6 a 3 l
- Velké splachovací množství rozsah nastavení: 4,5 / 6 / 7,5 l
- Malé splachovací množství rozsah nastavení: 3-4 l
Rozsah dodávky
- Přívod vody R 1/2, vhodný pro MeplaFix, s integrovaným rohovým ventilem a ručním ovládacím kolečkem
- Kryt pro hrubou montáž pro servisní otvor
- Souprava pro připojení WC, ø 90 mm
- Odpadní koleno pro WC, PE-HD, ø 90 mm
- Přechodka, PE-HD, ø 90/110 mm
- 2 ochranné zátky
- Souprava pro tlumení hluku
- 2 závitové tyče M12
- Upevňovací materiál
Ovládací tlačítko není součástí dodávky.
Parametry
| Kód | 110.000.00.1 |
|---|
Na balení si zakládáme! Prohlédněte si, jak připravujeme a zabalíme Vaši objednávku.
