Kompletní instalační set pro závěsné WC
- Rimless technologie bezokrajového splachování
- SoftClose mechanismus pozvolného sklápění sedátka
- tento instalační set je dostupný také v dalších variantách provedení ovládacího tlačítka
Obsahuje
- předstěnový instalační prvek Geberit Kombifix (110.302.00.5), se splachovací nádržkou pod omítku Sigma 12 cm
- soupravu pro tlumení hluku (SP 156SET)
- závěsné WC s bidetovou sprškou Tece TECEone (9700200)
- duroplastové WC sedátko Tece TECEone (9700600)
- 2-činné ovládací tlačítko Geberit Sigma50, alpská bílá (115.788.11.2)
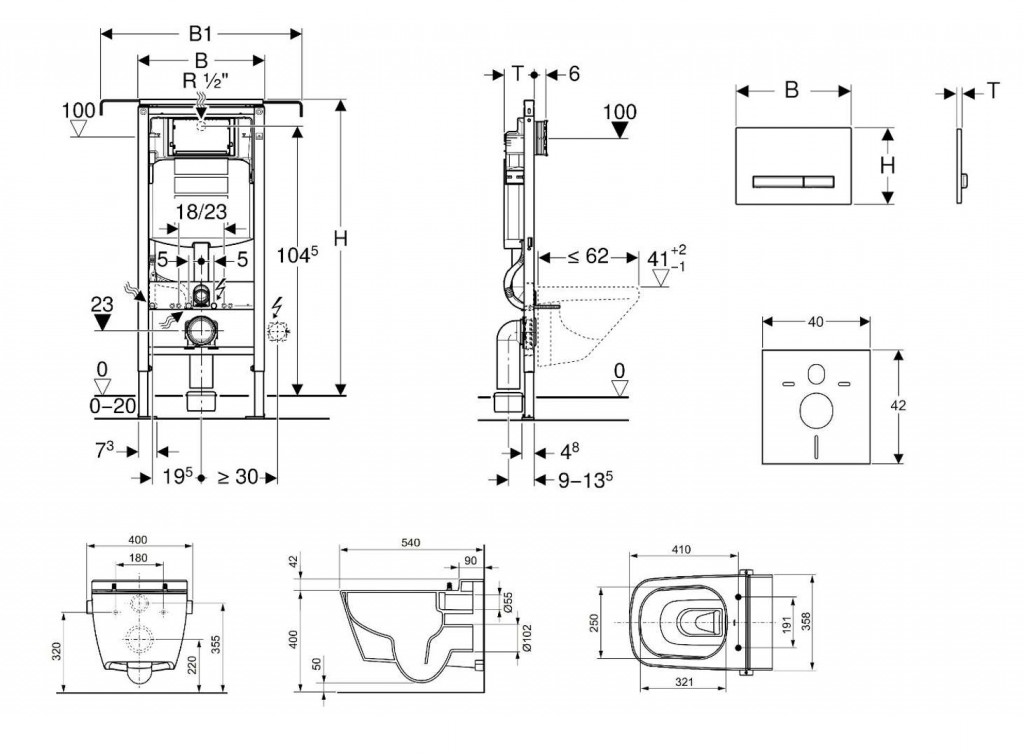
Montážní prvek Kombifix pro závěsné WC se splachovací nádržkou pod omítku Sigma 12 cm
Účel použití
- pro zděné stěny
- k montáži do předstěnových instalací částečně vysokých nebo vysokých na výšku místnosti
- pro závěsná WC s připojovacími rozměry podle EN 33:2011
- pro 1 množství splachování, 2 množství splachování nebo splachování Start/Stop
Vlastnosti
- montážní rám s práškovou barvou
- montážní rám se čtyřmi upevňovacími úhelníky
- připojovací koleno k montáži bez nářadí
- upevnění připojovacího kolena lze instalovat zepředu bez nářadí
- splachovací nádržka pod omítku s ovládáním zepředu
- splachovací nádržka pod omítku izolovaná proti orosování
- u nastavení z výroby je možné okamžité dodatečné spláchnutí
- montážní a servisní práce na splachovací nádržce pod omítku bez nářadí
- přívod vody vzadu nebo nahoře uprostřed
- kryt pro hrubou montáž pro servisní otvor chrání před vlhkostí a nečistotami
- kryt pro hrubou montáž pro servisní otvor s možností zkrácení
- vybaven trubkovou chráničkou pro přívodní potrubí k připojení sprchovacích WC Geberit AquaClean
- s možností upevnění pro přívod elektřiny
Technické údaje
- tlak při průtoku: 10-1000 kPa
- maximální teplota vody: 25 °C
- splachovací množství, nastavení ve výrobě: 6 a 3 l
- velké splachovací množství, rozsah nastavení: 4.5 / 6 / 7.5 l
- malé splachovací množství, rozsah nastavení: 3-4 l
Obsah dodávky
- přívod vody R 1/2", vhodný pro MF, s integrovaným rohovým ventilem a ručním ovládacím kolečkem
- kryt pro hrubou montáž pro servisní otvor
- připojovací souprava pro WC, Ø 90 mm
- připojovací koleno Ø 90 / 110 mm
- 2 ochranné zátky
- 2 závitové tyče M12
- upevňovací materiál
Sprchovací toaleta s technologií Rimless
- materiál: sanitární keramika
- rozměry: 400 x 540 x 392 mm
- technologie bezokrajového splachování Rimless - bez oplachového kruhu
- integrovaná bidetová sprška s ovládáním na boku toalety
- regulátor pro ovládání objemu a teploty vody
- otočením regulátoru se rameno spršky automaticky vysune
- bez vodní nádržky, bez elektrického splachování, bez bojleru
- rozsah teploty: 10-38 °C
- tlak vody: min. 1 bar (0,1 MPa)
- spotřeba vody: až 5,6 l/min
- snadná instalace a údržba
- bezpečnostní systém integrovaný v TECEone splňuje požadavky normy EN 1717, takže může být toaleta napojena přímo na centrální rozvod teplé a studené vody
WC sedátko s poklopem, Soft-Close
- povrchová úprava: bílá
- materiál: duroplast
- ergonomický tvar
- uchycení pomocí ocelových pantů se Soft-Close mechanismem
- uchycení je již nainstalováno a neoddělitelně přichyceno na keramiku
- sedátko je odnímatelné - usnadňuje čištění
Ovládací tlačítko Sigma50, pro 2 množství splachování
- rozměry: 246 x 164 mm
- materiál: plast
- barva provedení: alpská bílá
- tlačítka s vrstvou easy-to-clean
- k ovládání splachování u splachovacích nádržek pod omítku Geberit Sigma
- upevňovací rámeček
- 2 stavitelné úchytky
- 2 tyčky tlačítka
- tyčky tlačítka jsou zvukově izolované, rychlé nastavení bez nářadí
Parametry
| Kód | 110.302.00.5 NT8 |
|---|
Na balení si zakládáme! Prohlédněte si, jak připravujeme a zabalíme Vaši objednávku.
