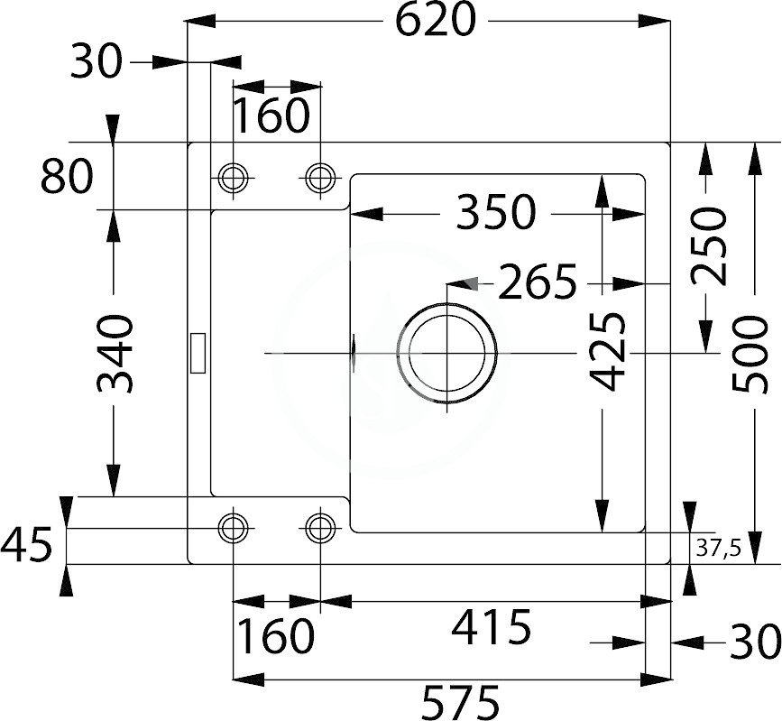
Fragranitový dřez MRG 611-62, reverzibilní
- materiál granit s povrchovou úpravou Sanitized
- odkapávací plocha variabilní, je možné umístit vpravo nebo vlevo
- vhodné pro horní montáž
- rozměry 620 × 500 mm
- výřez 600 × 480 mm
- dřez 350 × 425 × 200 mm
- spodní skříňka od 450 mm
Specifikace dodávky
- sítkový ventil 3 1/2“ s přepadem
- sifon pro úsporu místa 6/4" s odbočkou na myčku
Na balení si zakládáme! Prohlédněte si, jak připravujeme a zabalíme Vaši objednávku.
