Se sanitárním modulem Geberit Monolith pro WC vytvoříte koupelnu s čistým a kvalitním designem. Díky jedinečnému spojení špičkového vzhledu a funkčnosti nabízí tento modul mnohem více, než je zřejmé na první pohled. Je možné ho kombinovat s většinou běžně dostupných WC mís a rychle ho napojit na stávající potrubní rozvody bez nutnosti větších zásahů do stavební konstrukce. Tento modul také dále nabízí ekologicky šetrnou technologii splachování dvojím množstvím vody a lze k němu použít různé stojící nebo závěsné WC mísy. Vybrat si můžete ze dvou výškových provedení (101 a 114 cm). Elegantní čelní panel je vyroben ze skla a leštěného hliníku v několika barevných variacích: černé, bílé, mátově zelené, hnědé a pískové.
Technické parametry
- Tlak při průtoku: 10–1000 kPa
- Maximální teplota vody: 25 °C
- Splachovací množství, nastavení ve výrobě: 6 a 3 l
- Velké splachovací množství, rozsah nastavení: 4,5 / 6 l
- Malé splachovací množství: 3 l
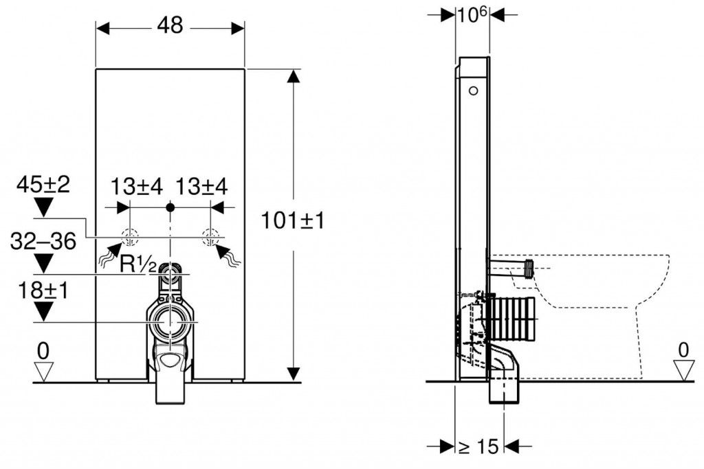
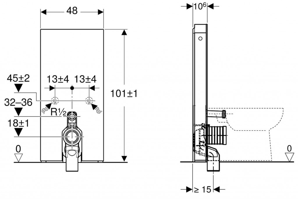
- Rozměry uvedeny v technickém obrázku
Účel použití
- Pro podlahová připojení
- Pro renovace, přestavby a novostavby
- Pro připojení na stěnu s výškou odpadu 18 cm
- Pro stojící WC s odpadním kolenem P a s výškou přívodu splachovací vody 32–36 cm od podlahy (EN 33)
- K výměně nízko položených splachovacích nádržek na omítku
- K výměně stojících WC se splachovací nádržkou umístěnou na WC míse
- K připojení Geberit AquaClean Sela, stojící WC
- K připojení WC sedátek Geberit AquaClean, s příslušenstvím
- K montáži na hotové podlahy
- K montáži přes stěny prováděné suchým procesem a masivní stěny
Vlastnosti
- 2 možnosti splachování, množství nastavitelné
- Možné vyrovnání stavebních tolerancí
- Čelní opláštění ze skla (ESG)
- Splachovací nádržka izolovaná proti rosení
- Boční opláštění z kartáčovaného hliníku
- Samonosný
- Spodní přívod vody
- Boční přívod vody možný
Rozsah dodávky
- Souprava pro připojení vody se 2 rohovými ventily 1/2"
- Prodloužení připojovací soupravy 160 mm
- Manžeta z EPDM, ø 44 / 55 mm
- Připojovací koleno P z PP, ø 90 mm
- Přechodka z PE-HD, ø 90 / 110 mm
- Kryt podstavce
- Upevňovací materiál pro stěnu prováděnou suchým procesem
- Upevňovací materiál
ilustrativní foto
Parametry
| Kód | 131.002.SL.5 |
|---|
Na balení si zakládáme! Prohlédněte si, jak připravujeme a zabalíme Vaši objednávku.
