Sanitární modul Geberit Monolith pro závěsné WC, 101 cm, čelo ze skla
Účel použití
- pro renovace, přestavby a novostavby
- pro připojení na stěnu s výškou odpadu > 23 cm
- k výměně nízko položených splachovacích nádržek na omítku
- k výměně závěsných WC se splachovací nádržkou umístěnou na WC míse
- pro Geberit AquaClean kompletní WC
- k připojení WC sedátek Geberit AquaClean, s příslušenstvím
- k montáži na hotové podlahy
- k montáži přes stěny prováděné suchým procesem a masivní stěny
- k vyrovnání vyosení mezi WC připojením a odtoky stěny přes připojovací trubky pro závěsná WC
Vlastnosti
- 2-činné splachování, množství nastavitelné
- samonosný
- možné vyrovnání stavebních tolerancí
- montážní výška nastavitelná až o 7 cm
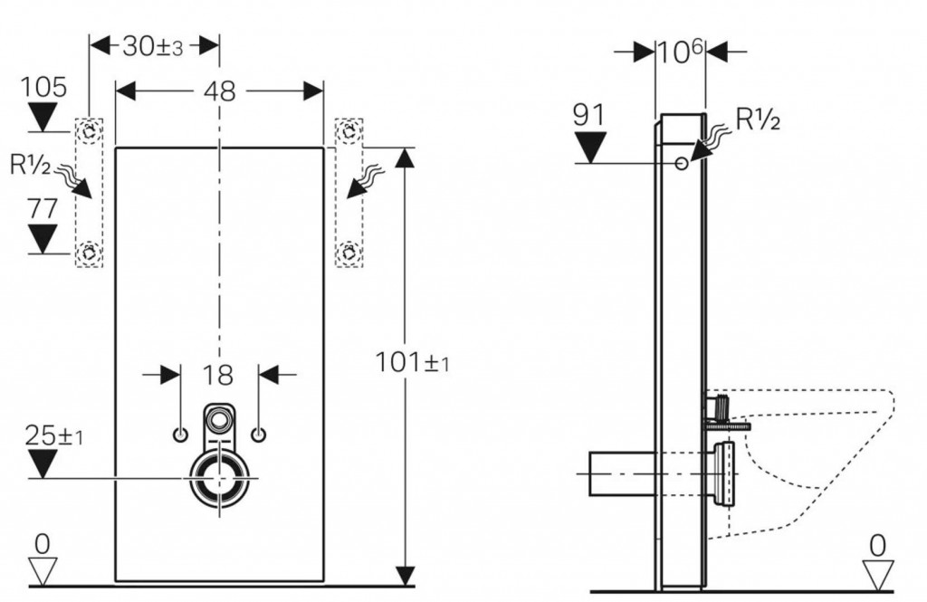
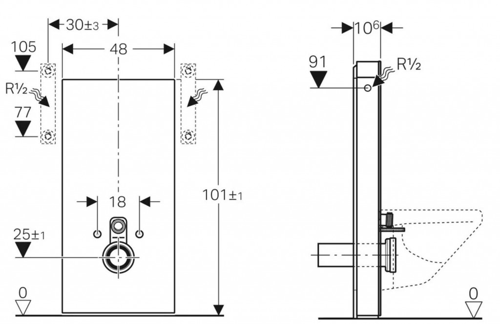
- výška upevnění WC keramiky 35 ± 1 cm
- splachovací nádržka izolovaná proti rosení
- boční opláštění: hliník
- čelní opláštění: sklo písková šedá
- boční přívod vody
- spodní přívod vody s příslušenstvím možný
Technické parametry
- tlak při průtoku: 10–1000 kPa
- maximální teplota vody: 25 °C
- splachovací množství, nastavení ve výrobě: 6 a 3 l
- velké splachovací množství, rozsah nastavení: 4,5 / 6 l
- malé splachovací množství: 3 l
- výpočtový průtok: 0,11 l/s
- minimální přetlak pro výpočtový průtok 50 kPa
Obsah dodávky
- souprava pro připojení vody s rohovým ventilem R 1/2"
- prodloužení připojovací soupravy 160 mm
- manžeta z EPDM, Ø 44 / 55 mm
- připojovací koleno P z PP, Ø 90 mm
- přechodka z PE-HD, Ø 90 / 110 mm
- 2 závitové tyče M12
- souprava pro tlumení hluku
- kryt podstavce
- upevňovací materiál pro stěnu prováděnou suchým procesem
- upevňovací materiál
Parametry
| Kód | 131.022.JL.5 |
|---|
Na balení si zakládáme! Prohlédněte si, jak připravujeme a zabalíme Vaši objednávku.
