Sanitární modul Geberit Monolith pro závěsné WC, 114 cm, čelo z kameniny
Účel použití
- pro renovace, přestavby a novostavby
- pro připojení na stěnu s výškou odpadu > 23 cm
- k výměně nízko položených splachovacích nádržek na omítku
- k výměně středně položených splachovacích nádržek na omítku
- k výměně závěsných WC se splachovací nádržkou umístěnou na WC míse
- k výměně závěsných WC s tlakovým splachovačem
- k výměně závěsných WC se splachovací nádržkou pod omítku s maximální výškou servisního otvoru
- pro Geberit AquaClean kompletní WC
- k připojení WC sedátek Geberit AquaClean, s příslušenstvím
- k montáži na hotové podlahy
- k montáži před stěny prováděné suchým procesem a masívní stěny
- k vyrovnání vyosení mezi WC připojením a odtoky ve stěně přes připojovací trubky pro závěsná WC
Vlastnosti
- 2-činné splachování, množství nastavitelné
- samonosný
- možné vyrovnání stavebních tolerancí
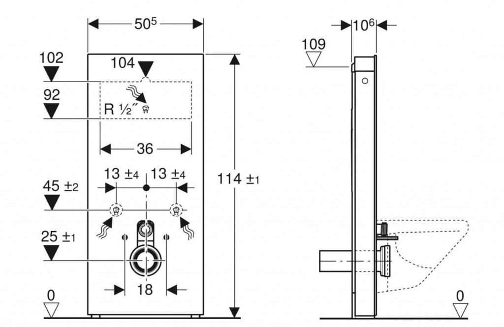
- montážní výška nastavitelná až o 7 cm
- výška upevnění WC keramiky 35 ± 1 cm
- splachovací nádržka izolovaná proti rosení
- boční opláštění: hliník
- čelní opláštění: kamenina betonový vzhled
- spodní přívod vody, vzadu uprostřed
- boční přívod vody s příslušenstvím možný
Technické parametry
- tlak při průtoku: 10–1000 kPa
- maximální teplota vody: 25 °C
- splachovací množství, nastavení ve výrobě: 6 a 3 l
- velké splachovací množství, rozsah nastavení: 4,5 / 6 l
- malé splachovací množství: 3 l
- výpočtový průtok: 0,11 l/s
- minimální přetlak pro výpočtový průtok 50 kPa
Obsah dodávky
- souprava pro připojení vody s 2 rohovým ventilem 1/2"
- prodloužení připojovací soupravy 160 mm
- manžeta z EPDM, Ø 44 / 55 mm
- připojovací koleno P z PP, Ø 90 mm
- přechodka z PE-HD, Ø 90 / 110 mm
- 2 závitové tyče M12
- kryt podstavce
- opěrný rám
- upevňovací materiál pro stěnu prováděnou suchým procesem
- upevňovací materiál pro montáž před splachovací nádržky pod omítku
- upevňovací materiál
Kombinovatelné se závěsnými WC ze série iCon, Selnova, AquaClean - Mera Comfort, Mera Classic, Sela, Tuma Comfort, Tuma Classic.
Barva a struktura přírodních produktů se může lišit.
Parametry
| Kód | 131.031.JV.5 |
|---|
Na balení si zakládáme! Prohlédněte si, jak připravujeme a zabalíme Vaši objednávku.
