nerezový pisoárový žlab 600 mm - 1 nerezová výtoková hlavice, čidlo s elektronikou, elektromagnetický ventil (1 ks), rohový ventil, úchytová sada, kryt na sifon, sifon
antivandalové provedení
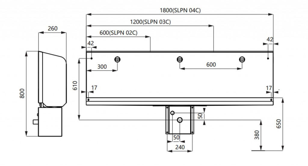
nerezové pisoárové žlaby se skrytým automatickým splachováním a splachovací hlavicí
pro zavěšení na zeď
žlaby jsou dodávány v délkách 600, 1200, 1800 a 2400 mm
délkám odpovídá počet vestavěných hlavic umístěných v horní části žlabu
ke spláchnutí dojde po použití žlabu
doba splachování je nastavitelná od 0,5 do 15,5 s
samočinné spláchnutí po 24 hodinách od posledního sepnutí ventilu
žlaby je možné na zakázku vyrobit v požadované délce
materiál CrNi 18/10 (AISI-304)
povrch matný
Napájecí napětí: 24V DC
Příkon: 7 W
Doporučený pracovní tlak: 0,1 - 0,6 MPa
Průtok: 12 l/min. (inf. údaj)
Vstup vody: vnější závit G 1/2“
Tloušťka plechu: 1,5 mm
Parametry
| Kód | SLPN 02C |
|---|
Na balení si zakládáme! Prohlédněte si, jak připravujeme a zabalíme Vaši objednávku.
