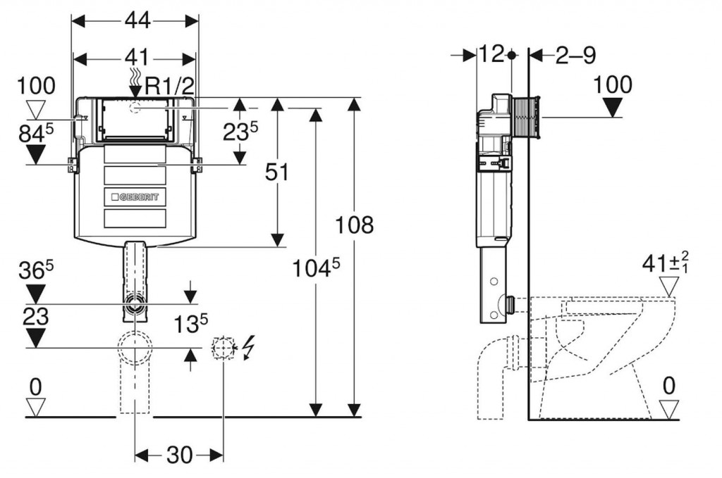
Splachovací nádržka Sigma 12 cm, s podomítkovou instalací
- Pro zděné stěny
- K montáži do předstěnových instalací částečně vysokých nebo vysokých na výšku místnosti
- K montáži do instalačních stěn vysokých na výšku místnosti
- Pro stojící a závěsné WC
- Pro 1 množství splachování, 2 množství splachování nebo splachování Start/Stop
Vlastnosti
- Splachovací nádržka pod omítku s ovládáním zepředu
- Splachovací nádržka pod omítku s izolací proti orosování
- U nastavení z výroby je možné okamžité dodatečné spláchnutí
- Splachovací koleno zasunuté
- Montážní a servisní práce na splachovací nádržce pod omítku bez nářadí
- Přívod vody vzadu nebo nahoře uprostřed
- Kryt pro hrubou montáž pro servisní otvor chrání před vlhkostí a nečistotami
- Kryt pro hrubou montáž pro servisní otvor s možností zkrácení
Technické údaje
- Tlak při průtoku: 10-1000 kPa
- Maximální teplota vody: 25 °C
- Splachovací množství, nastavení ve výrobě: 6 a 3 l
- Velké splachovací množství, rozsah nastavení: 4.5 / 6 / 7.5 l
- Malé splachovací množství, rozsah nastavení: 3-4 l
Obsah dodávky
- Přívod vody R 1/2", vhodný pro MF, s integrovaným rohovým ventilem a ručním ovládacím kolečkem
- Kryt pro hrubou montáž pro servisní otvor
- Splachovací koleno s izolačními díly
- Ochranná zátka
- 2 pásová železa s výřezy
- 2 upevňovací úhelníky
- Upevňovací materiál
- Bez ovládacího tlačítka splachování
Parametry
| Kód | 109.300.00.5 |
|---|
Na balení si zakládáme! Prohlédněte si, jak připravujeme a zabalíme Vaši objednávku.
