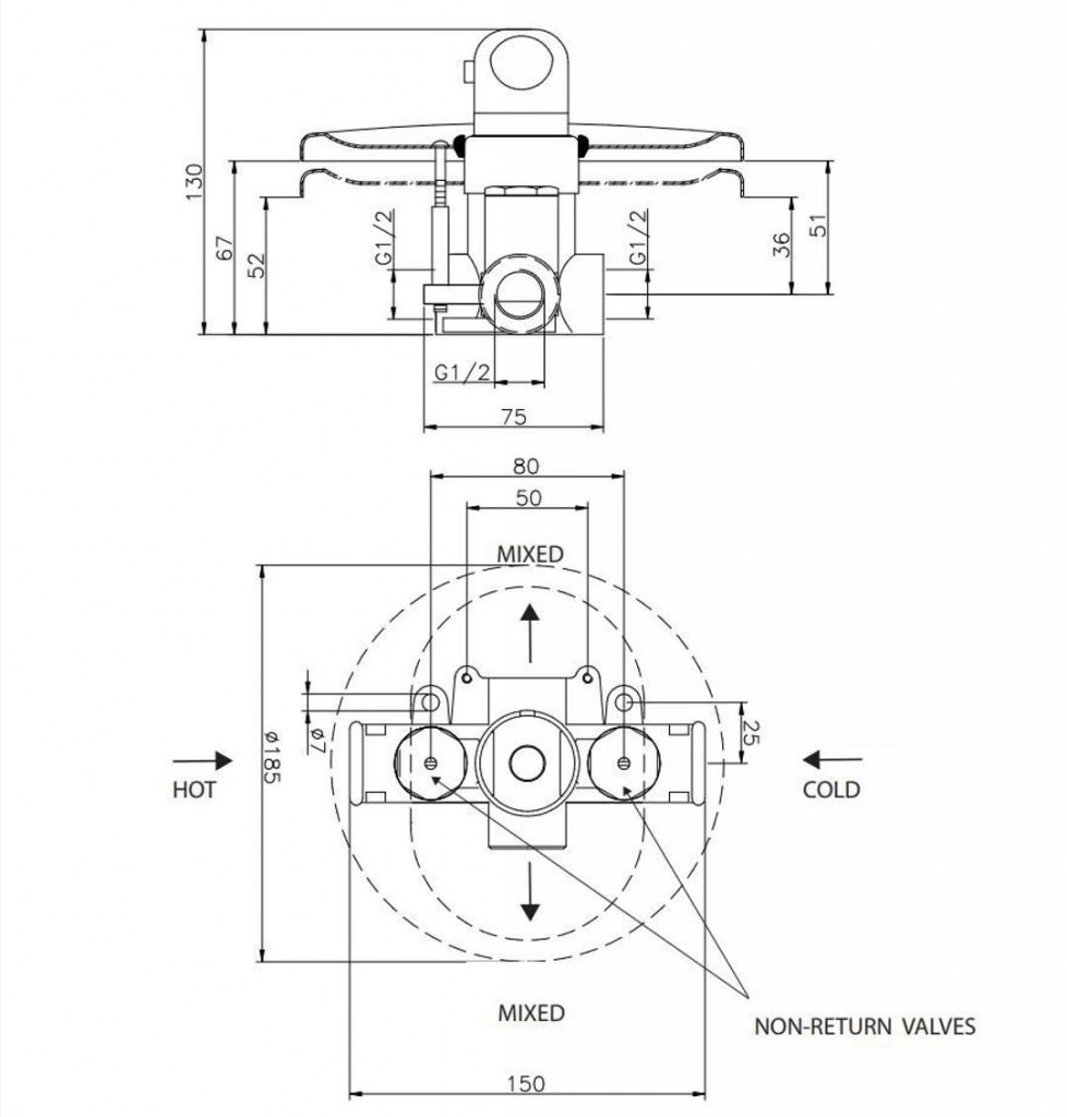
Termostatická podomítková baterie
- všechna připojení: G 1/2 "
- průtok 42 l/min při tlaku 0,1 MPa
- ovládací rukojeť pro regulaci teploty
- nastavitelná teplota vody: 20-50 °C
- pro správnou funkci je nutné, aby tlaky v obou přívodních potrubích byly stejné
- před směšovací baterií je nutné nainstalovat zpětné ventily
- uzavření horké vody při výpadku studené vody: do 1 s
Parametry
| Kód | SLT 05 |
|---|
Na balení si zakládáme! Prohlédněte si, jak připravujeme a zabalíme Vaši objednávku.
