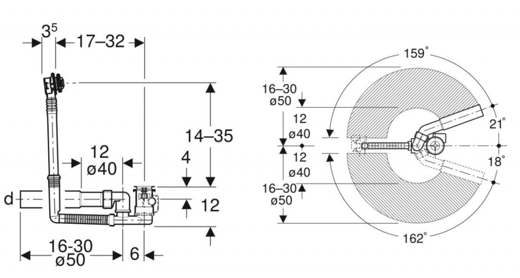
Odtoková a přepadová souprava
- materiál plast/chrom
- bez napouštění
- otočné ovládání
- délka 320 mm
- průměr odpadu 52 mm
- průtok 0.8 l/s
- průtok přepadu 0.6 l/s
- s připojovacím kolenem, princip protisměrného proudu
- výška vodního uzávěru 50 mm
- oboustranná těsnění pro odtok a přepad
Součást balení
- odpadní ventil
- zápachová uzávěrka
- připojovací koleno 45° z PE-HD, Ø 40 / 50 mm
- kryt pro hrubou montáž
- upevňovací materiál
Součástí balení není souprava pro kompletaci.
Parametry
| Kód | 150.595.00.6 |
|---|
Na balení si zakládáme! Prohlédněte si, jak připravujeme a zabalíme Vaši objednávku.
