Infračervená elektronická umyvadlová baterie typ 186 s generátorem a směšovačem
- pro veřejný a poloveřejný sektor
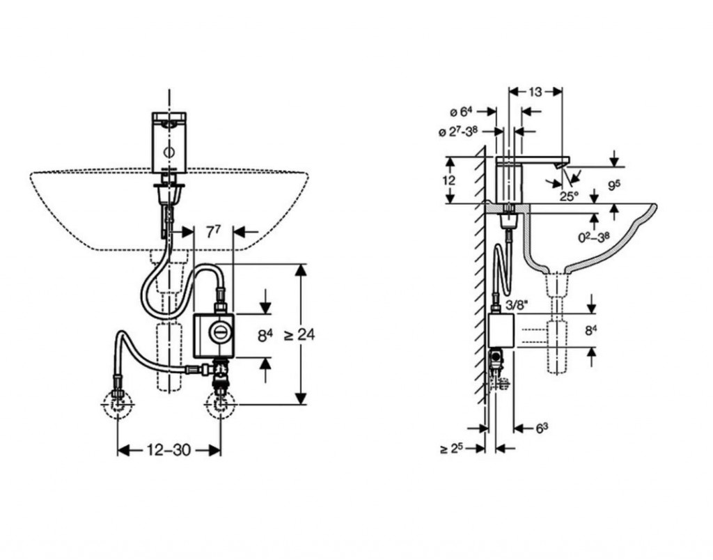
- montáž do umyvadla nebo panelů s umyvadlem
- k připojení studené a teplé vody
- pro použití s nerezovými dřezy
- není určeno pro průtokový ohřívač
- pro průtok > 3 l/min
Specifikace
- typ baterie: Li-Ion (6.6 V)
- druh ochrany: IP44
- provozní napětí: 6.6 V DC
- provozní tlak: 200-800 kPa
- rozdíl tlaku studená/teplá voda: ≤ 150 kPa
- maximální zkušební tlak vody: 1600 kPa
- maximální zkušební tlak vzduchu / inertního plynu: 300 kPa
- teplota okolí: 1–40 °C
- maximální teplota vody: 60 °C
- maximální teplota vody, krátkodobá: 90 °C
- průtok při tlaku 3 bar: 6 l/min
- výpočtový průtok: 0.07 l/s
- minimální přetlak pro výpočtový průtok: 200 kPa
- aktivační vzdálenost, rozsah nastavení: 5-33 cm
- aktivační vzdálenost, nastavení ve výrobě: 16-18 cm
- interval proplachu, rozsah nastavení: 1-168 h
- interval spláchnutí, nastavení ve výrobě: 168 h
- interval proplachu, rozsah nastavení: 3-180 s
- interval spláchnutí, nastavení ve výrobě: 3 s
- materiál: pochromovaná mosaz
- skupina armatur I podle DIN 4109
- automatické spuštění vody
- infračervené čidlo pro zaznamenání uživatele
- infračervený senzor samonastavitelný
- odolné proti vandalům
- přednastavení teploty přes směšovač pod umyvadlo
- voda nastavitelná jako ne pouze teplá nebo ne pouze studená
- omezení průtoku usměrňovačem proudu vody
- napájení elektrickým proudem z generátoru a akumulátoru
- napájení elektrickým proudem nezávislé
- výstraha při nízkém stavu nabití akumulátoru
- úspora vody díky dvouproudové snímací technice s rychlou reakcí
- funkce je možné servisním dálkovým ovládáním nastavit a dotazovat
- program úspora vody a program intervalu propláchnutí nastavitelný
- trvalé propláchnutí individuálně nastavitelné
- ovládání spouštění deaktivovatelné pomocí ovládání pro údržbu Geberit
- ručně nastavitelné různé funkce
- se zabudovaným zpětným ventilem
- košíkový filtr
- pancéřová hadička a přechodka na rohový ventil G 3/8''
- včetně upevňovacího materiálu a klíče pro usměrňovač proudu vody
Parametry
| Kód | 116.366.21.1 |
|---|
Na balení si zakládáme! Prohlédněte si, jak připravujeme a zabalíme Vaši objednávku.
