Instalační set obsahuje
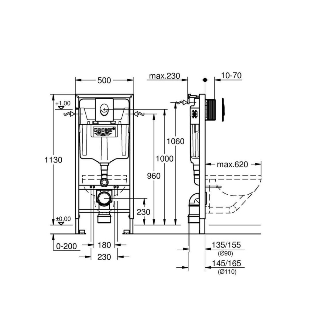
Předstěnový instalační modul Rapid SL pro závěsné WC
- splachovací nádrž GD 2
- stavební výška 1,13 m
- pro předstěnovou montáž nebo montáž do lehké příčky
- ocelový rám, práškové lakování, samonosný
- pro obložení sádrokartonem, kompletně předmontováno
- pevné objektové přípojky
- rychlé nastavení, uzamykatelné
- upevňovací materiál
- certifikováno TÜV
- 2 úchyty pro WC
- upevnění keramiky
- WC keramika s plochou menší než 205 mm vyžaduje dodatečné příslušenství 38 779 000
- rozteč šroubů 180/230 mm
- odpadní koleno Ø 90 mm
- hloubkově nastavitelné
- redukce Ø 90/110 mm
- přívodní a odpadní souprava
- splachovací nádrž GD 2, 6 - 9 l
- nastaveno z výroby na 6 l - 3 l
- pneumatický odtokový ventil nabízí 3 režimy chodu: 2-činné splachování, anebo start/stop a nebo nepřerušitelné (pouze start)
- přívod vody zleva/zprava nebo zezadu
- skupina armatur I - nízká hlučnost
- izolováno od kondenzující vody
- přípojka vody DN 15 s integrovaným rohovým ventilem a šroubovým spojem bez použití nářadí
- pro instalaci není třeba nářadí
- kontrolní hřídele včetně ochrany
- během fáze výstavby
- pro vertikální nebo horizontální použití
Ovládací tlačítko Skate Air
- pro 2-činné splachování, a nebo funkci start/stop
- pro pneumatický odtokový ventil AV1
- vertikální montáž
- rozměry: 156 x 197 mm
- vyrobeno z ABS
- GROHE StarLight chromový povrch
- GROHE EcoJoy technologie pro nízkou spotřebu vody a perfektní průtok
Nástěnná přípojka Rapid SL
- pro předstěnovou montáž
- pro upevnění prvků ke zdi nebo před lehkou příčku
- postupné nastavení hloubky 130-230 mm
- úchyt pro obložení pro jednotlivou nebo řadovou montáž
- upevňovací materiál
- 2 kusy v balení
Parametry
| Kód | 38721001 |
|---|
Na balení si zakládáme! Prohlédněte si, jak připravujeme a zabalíme Vaši objednávku.
