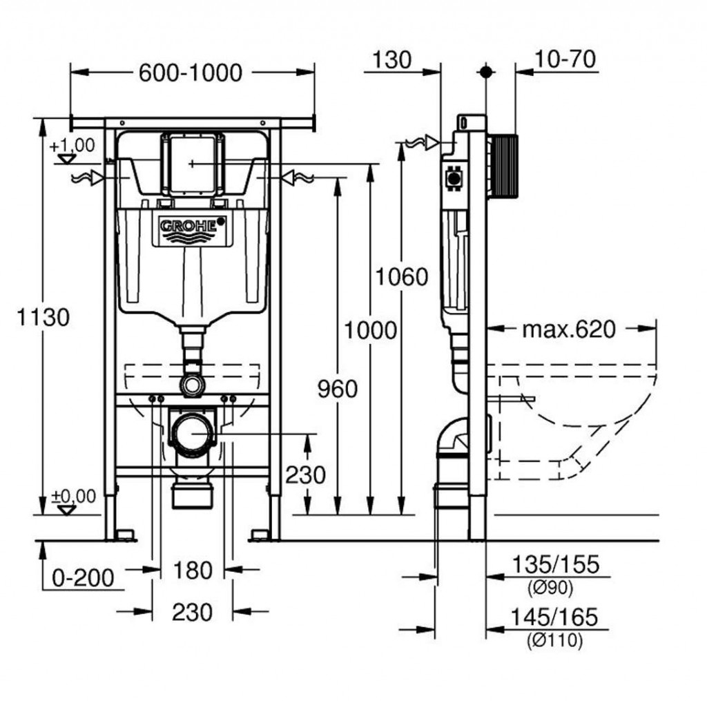
Rapid SL pro závěsné WC
Splachovací nádrž GD 2
- stavební výška 1,13 m
- pro instalační šachty, šíře 800-1100 mm
- ocelový rám, práškové lakování, samonosný
- pro obložení sádrokartonem
- kompletně předmontováno
- pevné objektové přípojky
- pro jednotlivou montáž nebo montáž na kolejnici
- rychlé nastavení, uzamykatelné
- upevňovací materiál
- 2 úchyty pro upevnění WC
- rozteč šroubů 180/230 mm
- odpadní koleno Ø 90 mm
- hloubkově nastavitelné
- redukce Ø 90/110 mm
- přívodní a odpadní souprava
- splachovací nádrž 6 - 9 l
- nastaveno z výroby na 6 l - 3 l
- pneumatický odtokový ventil nabízí 3 režimy chodu: 2-činné splachování, anebo start/stop anebo nepřerušitelné (pouze start)
- přívod vody zleva / zprava nebo zezadu
- skupina armatur I - nízká hlučnost
- izolováno od kondenzující vody
- přípojka vody DN 15 s integrovaným rohovým ventilem a šroubovým spojem, bez použití nářadí
- kontrolní hřídele včetně ochrany během fáze výstavby
- pro vertikální nebo horizontální použití
- revizní otvor 40 911 000 pro malá ovládací tlačítka je nutné objednat zvlášť
- nástěnný držák 38 558 00M pro montáž na zeď je nutné objednat zvlášť
Parametry
| Kód | 38588001 |
|---|
Na balení si zakládáme! Prohlédněte si, jak připravujeme a zabalíme Vaši objednávku.
