Rapid SL sada 5 v 1 pro WC
Splachovací nádrž GD 2
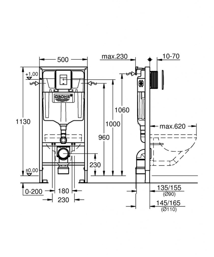
- stavební výška 1,13 m
- pro předstěnovou montáž nebo montáž do lehké příčky
- ocelový rám, práškové lakování, samonosný
- pro obložení sádrokartonem, kompletně předmontováno
- pevné objektové přípojky
- pro jednotlivou montáž nebo montáž na kolejnici
- rychlé nastavení, uzamykatelné
- upevňovací materiál
- certifikováno TÜV
- 2 úchyty pro WC
- upevnění keramiky
- rozteč šroubů 180/230 mm
- odpadní koleno Ø 90 mm
- hloubkově nastavitelné
- redukce Ø 90/110 mm
- přívodní a odpadní souprava
- splachovací nádrž 6 - 9 l
- nastaveno z výroby na 6 l - 3 l
- pneumatický odtokový ventil nabízí 3 režimy chodu:
- 2-činné splachování, anebo start/stop anebo nepřerušitelné (pouze start)
- přívod vody zleva / zprava nebo zezadu
- skupina armatur I - nízká hlučnost
- schváleno DIN
- izolováno od kondenzující vody
- přípojka vody DN 15 s integrovaným rohovým ventilem a šroubovým spojem bez použití nářadí
- pro instalaci není třeba nářadí
- kontrolní hřídele včetně ochrany
- během fáze výstavby
- pro vertikální nebo horizontální použití
- doplňky pro stěnové instalace
- s výměnnou soupravou GROHE Fresh
- pouze pro bezchlórové tablety
- ovládací tlačítko Skate Cosmopolitan
- pro 2-činné splachování, a nebo funkci start/stop
- horizontální a vertikální montáž
- rozměry: 156 x 197 mm
- povch: chrom
- vyrobeno z ABS
- GROHE StarLight® chromový povrch
- sada pro odhlučnění WC (37 131 000)
- Rapid SL nástěnná přípojka (38 558 00M)
- GROHE Fresh přestavbový set (38 796 000)
Parametry
| Kód | 38827000 |
|---|
Na balení si zakládáme! Prohlédněte si, jak připravujeme a zabalíme Vaši objednávku.
