Kompletní WC set obsahuje
- podomítkový modul Rapid SL
- závěsné WC Euro Ceramic, s technologií Rimless
- WC sedátko, s technologií SoftClose
- splachovací tlačítko Arena Cosmopolitan, alpská bílá
- Fresh přestavbový set pro umístění tablet
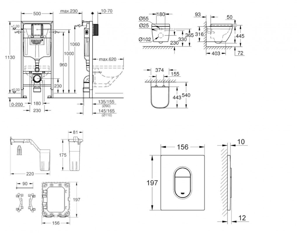
Instalační prvek Rapid SL pro závěsné WC
- splachovací nádrž GD 2
- stavební výška 1,13 m
- pro předstěnovou montáž nebo montáž do lehké příčky
- ocelový rám, práškové lakování, samonosný
- pro obložení sádrokartonem, kompletně předmontováno
- pevné objektové přípojky
- pro jednotlivou montáž nebo montáž na kolejnici
- rychlé nastavení, uzamykatelné
- upevňovací materiál
- certifikováno TÜV
- 2 úchyty pro WC
- upevnění keramiky - rozteč šroubů 180/230 mm
- WC keramika s plochou menší než 205 mm vyžaduje dodatečné příslušenství 38 779 000
- odpadní koleno Ø 90 mm
- hloubkově nastavitelné
- redukce Ø 90/110 mm
- přívodní a odpadní souprava
- splachovací nádrž 6 - 9 l (nastaveno z výroby na 6 - 3 l)
- pneumatický odtokový ventil nabízí 3 režimy chodu:2-činné splachování, start/stop a nebo nepřerušitelné (pouze start)
- přívod vody zleva / zprava nebo zezadu
- skupina armatur I - nízká hlučnost
- izolováno od kondenzující vody
- přípojka vody DN 15 s integrovaným rohovým ventilem a šroubovým spojem bez použití nářadí
- pro instalaci není třeba nářadí kontrolní hřídele včetně ochrany během fáze výstavby
- pro vertikální nebo horizontální použití splachovacích tlačítek
- včetně nástěnných držáků 38 558 00M pro montáž na stěnu
Závěsný klozet
- materiál: glazovaná hladká keramika
- barva: alpská bílá
- pro podomítkové nádrže
- zadní odpad
- hluboké splachování
- Rimless technologie
- objem spláchnutí 3/5 l
WC sedátko s funkcí softclose
- barva: alpská bílá
- materiál: duroplast
- s poklopem
- odnímatelné
- snadná demontáž WC sedátka
- panty z nerezové oceli
- snadné upevnění shora
- včetně montážní sady
Ovládací tlačítko Arena Cosmopolitan
- barva: alpská bílá
- materiál: ABS
- rozměr: 156 x 197 x 12 mm
- GROHE Long-Life povrch
- GROHE Water Saving – méně vody, dokonalý průtok
- pro 2-činné splachování a nebo funkci start/stop
- pro pneumatický odtokový ventil AV1
- vertikální montáž
- pro kombinaci s nádržkami Rapid SL a Uniset
- pro použití s Rapid SLX nutno objednat také revizní šachtu
GROHE Fresh přestavbový set
- pro splachovací nádrž GROHE GD 2 s pneumatickým výtlačným ventilem a standardním revizním otvorem
- není vhodné pro tlačítka Skate Cosmopolitan se dřevěným nebo skleněných povrchem
- rámeček s funkcí otevírání
- s nádobkou pro umístění tablet
- pouze pro bezchlórové tablety
- pro všechna splachovací tlačítka GROHE s rozměry 156 x 197 mm
Parametry
| Kód | SANI11BB3152 |
|---|
Na balení si zakládáme! Prohlédněte si, jak připravujeme a zabalíme Vaši objednávku.
