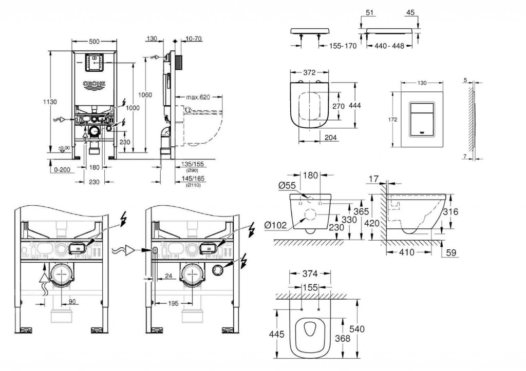
Kompletní instalační set pro závěsné WC obsahuje
- Rapid SLX modul pro závěsné WC s nádržkou
- Ovládací tlačítko Skate Cosmopolitan S
- Závěsné WC Euro Ceramic s technologií Rimless a se sedátkem softclose
- Nástěnnou přípojku a soupravu pro tlumení hluku
Rapid SLX modul pro závěsné WC se splachovací nádrží GD 2
- připravený pro technologii Rimless
- integrovaný regulátor průtoku
- včetně revizní šachty
- Plug & Play plně funkční integrovaná elektrická zásuvka
- vhodné i pro sprchové toalety (vodní přípojka)
- malý revizní otvor pro malá splachovací tlačítka
- přístup k vodovodní a elektrické přípojce
- pro předstěnovou montáž nebo montáž do lehké příčky
- ocelový rám, práškové lakování, samonosný
- pro obložení sádrokartonem, kompletně předmontováno
- pevné objektové přípojky
- rychlé nastavení, uzamykatelné
- upevňovací materiál
- certifikováno TÜV
- 2 úchyty pro WC
- rozteč šroubů 180/230 mm
- odpadní koleno Ø 90 mm
- hloubkově nastavitelné
- redukce Ø 90/110 mm
- přívodní a odpadní souprava
- splachovací nádrž GD 2, 6 - 9 l (nastaveno z výroby na 6 l - 3 l)
- pneumatický odtokový ventil nabízí 3 režimy chodu: 2-činné splachování, start/stop a nebo nepřerušitelné (pouze start)
- přívod vody zprava nebo zezadu
- skupina armatur I - nízká hlučnost
- izolováno od kondenzující vody
- přípojka vody DN 15 s integrovaným rohovým ventilem a šroubovým spojem
- pro instalaci není třeba nářadí
- kontrolní hřídele včetně ochrany během fáze výstavby
- pro vertikální použití
Ovládací tlačítko Skate Cosmopolitan S
- 2-činné splachování nebo funkce start/stop
- pro pneumatický odtokový ventil AV1
- vertikální vestavba
- rozměry: 130 x 172 mm
- materiál: ABS
- GROHE StarLight chromový povrch
- GROHE EcoJoy technologie pro nízkou spotřebu vody a perfektní průtok
- s magnetickým držákem a upevněním
Závěsný klozet Euro Ceramic se sedátkem softclose
- Rimless - bez okrajového splachovacího kruhu
- hluboké splachování
- zadní odpad
- Triple Vortex technologie trojitého splachování
- objem splachování 3/5 l
- včetně montážní sady
- rozměr: 540x374 mm
- glazovaná hladká keramika
- barva: alpská bílá
- včetně odnímatelného WC sedátka
- s funkcí softclose
- materiál: duroplast
Nástěnná přípojka pro předstěnovou montáž
- 2 kusy
- postupné nastavení hloubky 130 - 230 mm
- včetně upevňovacího materiálu
- podložka pro tlumení hluku
Na balení si zakládáme! Prohlédněte si, jak připravujeme a zabalíme Vaši objednávku.
