Kompletní WC set obsahuje
- podomítkový modul Rapid SLX
- závěsné WC Essence, s technologií Rimless
- WC sedátko, s technologií SoftClose
- splachovací tlačítko Skate Cosmopolitan, kartáčovaná nerezová ocel
- revizní šachtu
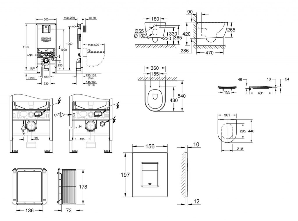
Rapid SLX modul pro závěsné WC
- se splachovací nádrží GD 2, s nástěnnými držáky a protihlukovou izolací
- s integrovanou přípojkou pro sprchové toalety
- Plug & Play plně funkční integrovaná elektrická zásuvka
- integrovaný regulátor průtoku - modul tak lze využít s toaletami s bezokrajovým splachováním
- vhodné pro sprchové toalety (vodní přípojka)
- malý revizní otvor pro malá splachovací tlačítka
- přístup k vodovodní a elektrické přípojce
- pro předstěnovou montáž nebo montáž do lehké příčky
- ocelový rám, práškové lakování, samonosný
- pro obložení sádrokartonem, kompletně předmontováno
- pevné objektové přípojky
- rychlé nastavení, uzamykatelné
- upevňovací materiál
- certifikováno TÜV
- 2 úchyty pro WC
- upevnění keramiky - rozteč šroubů 180/230 mm
- odpadní koleno Ø 90 mm
- hloubkově nastavitelné
- redukce Ø 90/110 mm
- přívodní a odpadní souprava
- GROHE EcoJoy - snižuje spotřebu vody až o 50 %
- GROHE Whisper - technologie pomáhá zabránit šíření zvuku stěnami
- splachovací nádrž GD 2, 6 - 9 l (nastaveno z výroby na 6 l - 3 l)
- pneumatický odtokový ventil nabízí 3 režimy chodu: 2-činné splachování, start/stop a nebo nepřerušitelné (pouze start)
- přívod vody zprava nebo zezadu
- skupina armatur I - nízká hlučnost
- izolováno od kondenzující vody
- přípojka vody DN 15 s integrovaným rohovým ventilem a šroubovým spojem
- pro instalaci není třeba nářadí
- kontrolní hřídele včetně ochrany během fáze výstavby
Závěsný klozet pro podomítkové nádrže
- hluboké splachování
- záchodová mísa bez okrajového splachovacího kruhu (rimless)
- zadní odpad
- objem spláchnutí 3/4.5 l
- včetně montážní sady
- glazovaná hladká keramika
- barva: alpská bílá s povrchovou úpravou PureGuard
WC sedátko
- barva: alpská bílá
- materiál: duroplast
- rozměr: 361 x 446 x 46 mm (Š/D/V)
- s technologií SoftClose
- odnímatelné, snadná demontáž
- upevnění shora
- panty z nerezové oceli
- včetně montážní sady
Ovládací tlačítko Skate Cosmopolitan
- barva: kartáčovaná nerezová ocel
- rozměr: 156 x 197 x 12 mm
- materiál: ABS
- povrchová úprava GROHE Long-Life
- pro 2-činné splachování nebo funkci start/stop
- pro pneumatický odtokový ventil AV1
- GROHE Water Saving – méně vody, dokonalý průtok
Revizní šachta
- pro kombinaci s nádržkami Rapid SLX
- rozměr: 136 x 178 x 73 mm (Š/V/H)
Parametry
| Kód | SANI11BB2112 |
|---|
Na balení si zakládáme! Prohlédněte si, jak připravujeme a zabalíme Vaši objednávku.
