Kompletní WC set obsahuje
- podomítkový modul Rapid SLX
- závěsné WC Bau Ceramic, s technologií Rimless
- WC sedátko, s technologií SoftClose
- splachovací tlačítko Skate Cosmopolitan, kartáčovaný Warm Sunset
- revizní šachtu
- Fresh přestavbový set pro umístění tablet
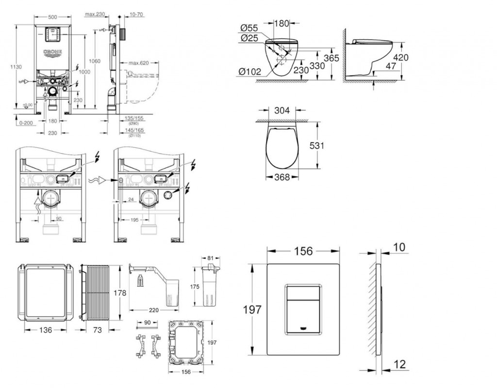
Rapid SLX modul pro závěsné WC
- se splachovací nádrží GD 2, s nástěnnými držáky a protihlukovou izolací
- revizní šachta
- s integrovanou přípojkou pro sprchové toalety
- Plug & Play plně funkční integrovaná elektrická zásuvka
- integrovaný regulátor průtoku - modul tak lze využít s toaletami s bezokrajovým splachováním
- vhodné pro sprchové toalety (vodní přípojka)
- malý revizní otvor pro malá splachovací tlačítka
- přístup k vodovodní a elektrické přípojce
- pro předstěnovou montáž nebo montáž do lehké příčky
- ocelový rám, práškové lakování, samonosný
- pro obložení sádrokartonem, kompletně předmontováno
- pevné objektové přípojky
- rychlé nastavení, uzamykatelné
- upevňovací materiál
- certifikováno TÜV
- 2 úchyty pro WC
- upevnění keramiky - rozteč šroubů 180/230 mm
- odpadní koleno Ø 90 mm
- hloubkově nastavitelné
- redukce Ø 90/110 mm
- přívodní a odpadní souprava
- GROHE EcoJoy - snižuje spotřebu vody až o 50 %
- GROHE Whisper - technologie pomáhá zabránit šíření zvuku stěnami
- splachovací nádrž GD 2, 6 - 9 l (nastaveno z výroby na 6 l - 3 l)
- pneumatický odtokový ventil nabízí 3 režimy chodu: 2-činné splachování, start/stop a nebo nepřerušitelné (pouze start)
- přívod vody zprava nebo zezadu
- skupina armatur I - nízká hlučnost
- izolováno od kondenzující vody
- přípojka vody DN 15 s integrovaným rohovým ventilem a šroubovým spojem
- pro instalaci není třeba nářadí
- kontrolní hřídele včetně ochrany během fáze výstavby
Závěsné WC Bau Ceramic
- barva: alpská bílá
- materiál: glazovaná hladká keramika
- rozměry: 531 x 368 x 373 mm (H/Š/V)
- hluboké splachování, zadní odpad
- s technologií - Rimless
- objem spláchnutí 3/6 l
- WC sedátko
- s funkcí pomalého sklápění SoftClose
- materiál: duroplast
- panty z nerezové oceli
- snadná demontáž - upevnění shora
Ovládací tlačítko Skate Cosmopolitan
- barva: kartáčovaný Warm Sunset
- rozměr: 156 x 197 x 12 mm
- materiál: ABS
- povrchová úprava GROHE Long-Life
- pro 2-činné splachování nebo funkci start/stop
- pro pneumatický odtokový ventil AV1
- GROHE Water Saving – méně vody, dokonalý průtok
Revizní šachta
- pro kombinaci s nádržkami Rapid SLX
- rozměr: 136 x 178 x 73 mm (Š/V/H)
GROHE Fresh přestavbový set
- pro splachovací nádrž GROHE GD 2 s pneumatickým výtlačným ventilem a standardním revizním otvorem
- není vhodné pro tlačítka Skate Cosmopolitan se dřevěným nebo skleněných povrchem
- rámeček s funkcí otevírání
- s nádobkou pro umístění tablet
- pouze pro bezchlórové tablety
- pro všechna splachovací tlačítka GROHE s rozměry 156 x 197 mm
Parametry
| Kód | SANI11BB4143 |
|---|
Na balení si zakládáme! Prohlédněte si, jak připravujeme a zabalíme Vaši objednávku.
