Nerezová automatická umyvadlová směšovací baterie s elektronikou ALS, napájení ze sítě 24V
Vlastnosti
- úsporný perlátor, průtok 6 l/min
- hygienický proplach
- bezolovnatá technologie
- celonerezové provedení
- elektromagnetický ventil je integrován v těle baterie
- určena pro přívod teplé a studené vody, nastavení teploty páčkou
- delší výtokové ramínko
- reaguje na přítomnost rukou ve snímané zóně okamžitým spuštěním vody
- k vypnutí vody dojde po vyjmutí rukou po uplynutí nastavené doby (možno nastavit v rozsahu 0,25 - 7,75 s)
- bezpečnostní funkce vypnutí vody po 5 minutách
- možnost přepnutí do režimu START/STOP
- nastavení parametrů pomocí dálkového ovladače
Technické údaje
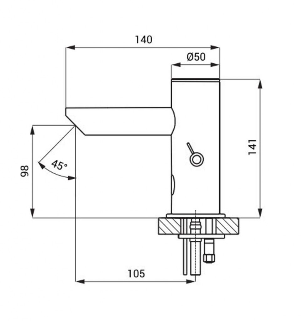
- délka raménka 140 mm
- komfortní zóna 98 mm
- výška baterie 141 mm
- napájecí napětí 24 V DC
- dosah standardně 0,13 - 0,19 m, v režimu START/STOP 0,05 - 0,15 m
- doporučený pracovní tlak 0,1 - 0,6 MPa
- průtok 6 l/min. (inf. údaj)
- vstup vody vnější závit G 1/2“
Součástí dodávky
- výtokové ramínko s regulací teploty a elektronikou a elektromagnetickým ventilem
- propojovací hadice
- rohový ventil s filtrem a zpětnou klapkou (2 ks)
Parametry
| Kód | SLU 92D |
|---|
Na balení si zakládáme! Prohlédněte si, jak připravujeme a zabalíme Vaši objednávku.
