Pisoár ARQ s radarovým splachovačem
- úsporné splachování jedním litrem vody
- reaguje pouze na použití pisoáru (vyhodnocuje změny, ke kterým dochází uvnitř pisoáru při průtoku kapaliny)
- doba splachování je nastavitelná od 0,5 do 15,5 s
- vstupní zpoždění (min. délka změn registrovaných radarovým senzorem nutná pro vyvolání spláchnutí) je nastavitelné od 6 do 15 s
- nastavení parametrů pomocí dálkového ovládání SLD 04 bez nutnosti demontáže pisoáru (akustická indikace nastavování)
- lze nastavit přes Bluetooth a aplikaci Sanela Control
- samočinné spláchnutí po 6 hodinách od posledního sepnutí ventilu
- možnost regulace průtoku vody rohovým ventilem
- po spláchnutí provede splachovač krátké doplnění vody do sifonu
Technické parametry:
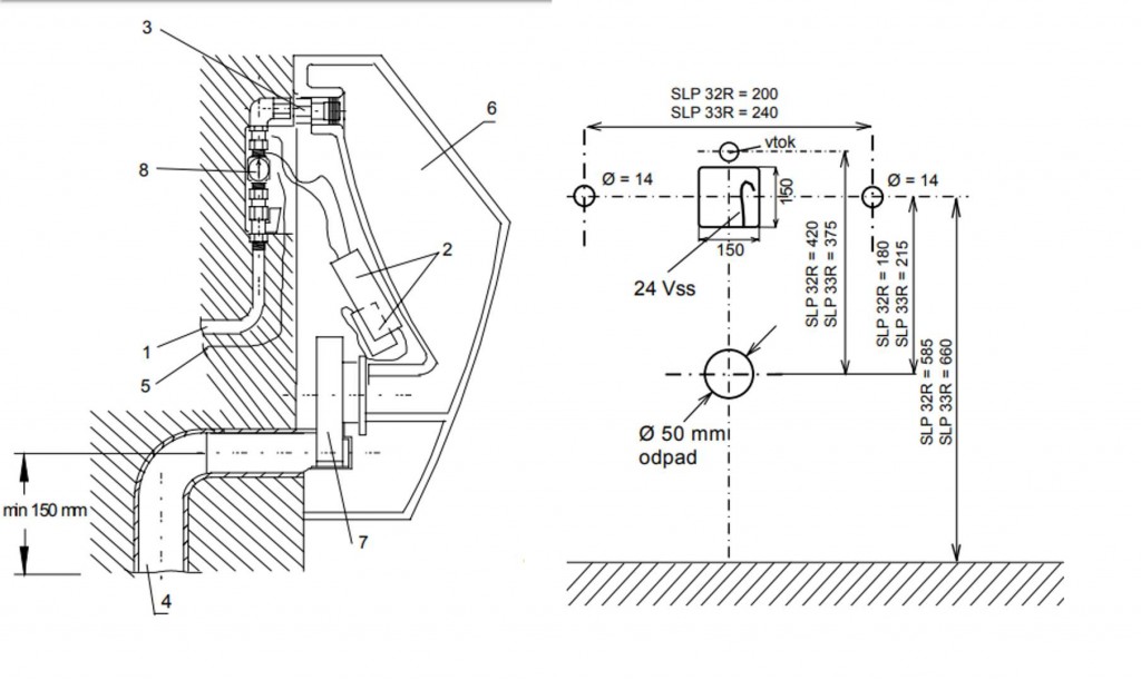
- rozměr montážní krabice: cca 140 x 140 x 75 mm
- napájecí napětí: 6V
- příkon: 1,4 W
- doporučený pracovní tlak: 0,1 - 0,6 MPa
- průtok: 12 l/min. (inf. údaj)
- vstup vody: vnější závit G 3/4“
- výstup vody: výtoková armatura s těsněním
Rozsah dodávky:
- keramický pisoár s integrovanou radarovou elektronikou
- montážní plastová krabice se šroubením
- elektromagnetickým ventilem a kulovým ventilem
- výtoková armatura s těsněním
- sifon
- upevňovací sada
- plastový poklop
- 4 ks AA alkalické, 1.5V, 2700 mAh
Parametry
| Kód | SLP 32RB |
|---|
Na balení si zakládáme! Prohlédněte si, jak připravujeme a zabalíme Vaši objednávku.
