Set předstěnové instalace, klozetu a sedátka Bau Ceramic a ovládacího tlačítka Sail
Obsahuje
- předstěnový instalační modul, splachovací nádrž 6-9 l
- nástěnnou přípojku pro předstěnovou montáž Grohe Rapid SL
- soupravu pro tlumení hluku
- keramický závěsný klozet včetně sedátka Bau Ceramic s poklopem
- 2-činné ovládací tlačítko Grohe Sail
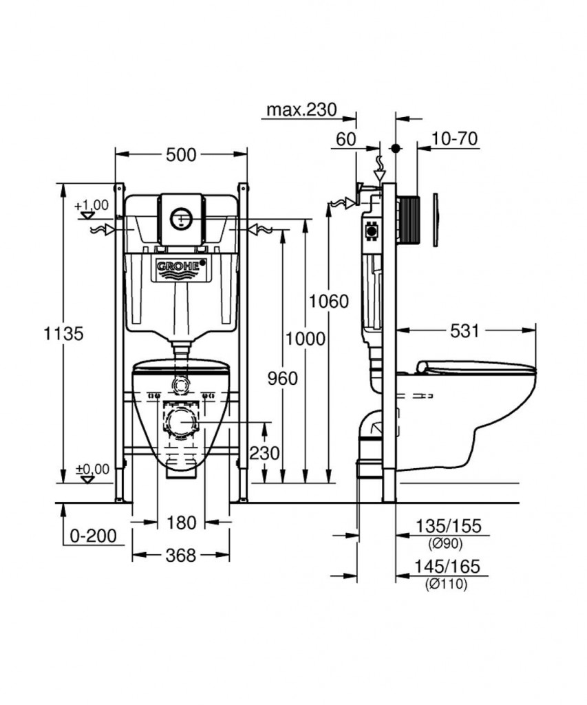
Solido Compact pro závěsné WC, splachovací nádrž GD 2
- stavební výška 1,13 m
- pro předstěnovou montáž nebo montáž do lehké příčky
- ocelový rám, práškové lakování, samonosný
- pro sádrokarton
- pevné objektové přípojky
- upevňovací materiál
- rychlé nastavení, uzamykatelné
- 2 úchyty pro WC
- upevnění keramiky
- rozteč šroubů 180/230 mm
- odpadní koleno Ø 90 mm
- hloubkově nastavitelné
- redukce Ø 90/110 mm
- přívodní a odpadní souprava
- splachovací nádrž 6 - 9 l (nastaveno z výroby na 6 l - 3 l)
- pneumatický odtokový ventil nabízí 3 režimy chodu: 2-činné splachování nebo start/stop a nebo nepřerušitelné (pouze start)
- možnost dopojení přívodu vody zleva/zprava/zezadu nebo shora
- skupina armatur I - nízká hlučnost
- izolováno od kondenzující vody
- pro instalaci není třeba nářadí
- kontrolní hřídele včetně ochrany během fáze výstavby
- přípojka vody DN 15 s integrovaným rohovým ventilem a šroubovým spojem bez použití nářadí
- pro vertikální nebo horizontální použití
- instalace na místě
Závěsné WC Bau Ceramic s hlubokým splachováním, rimless
- zadní odpad
- materiál: sanitární keramika
- barva: alpská bílá
- objem splachování: 6/3 litry
WC sedátko s poklopem GROHE Bau Ceramic a funkcí SoftClose
- materiál: duroplast
- barva: alpská bílá
- upevňovací sada
- mechanismus rychlého uvolnění pro snadné čištění
Ovládací tlačítko Grohe Sail
- pro 2-činné splachování nebo funkci start/stop
- pro pneumatický odtokový ventil AV1
- horizontální a vertikální montáž
- rozměry: 156 x 197 mm
- materiál: ABS
- GROHE StarLight chromový povrch
- GROHE EcoJoy technologie pro nízkou spotřebu vody a perfektní průtok
Parametry
| Kód | 39415000 |
|---|
Na balení si zakládáme! Prohlédněte si, jak připravujeme a zabalíme Vaši objednávku.
