Kompletní instalační set pro závěsné WC
- předstěnový instalační modul, splachovací nádrž 6-9 l
- nástěnnou přípojku pro předstěnovou montáž Grohe Rapid SL
- soupravu pro tlumení hluku
- keramický závěsný klozet Euro Ceramic včetně sedátka s poklopem
- 2-činné ovládací tlačítko Arena Cosmopolitan
Solido Compact pro závěsné WC, splachovací nádrž GD 2
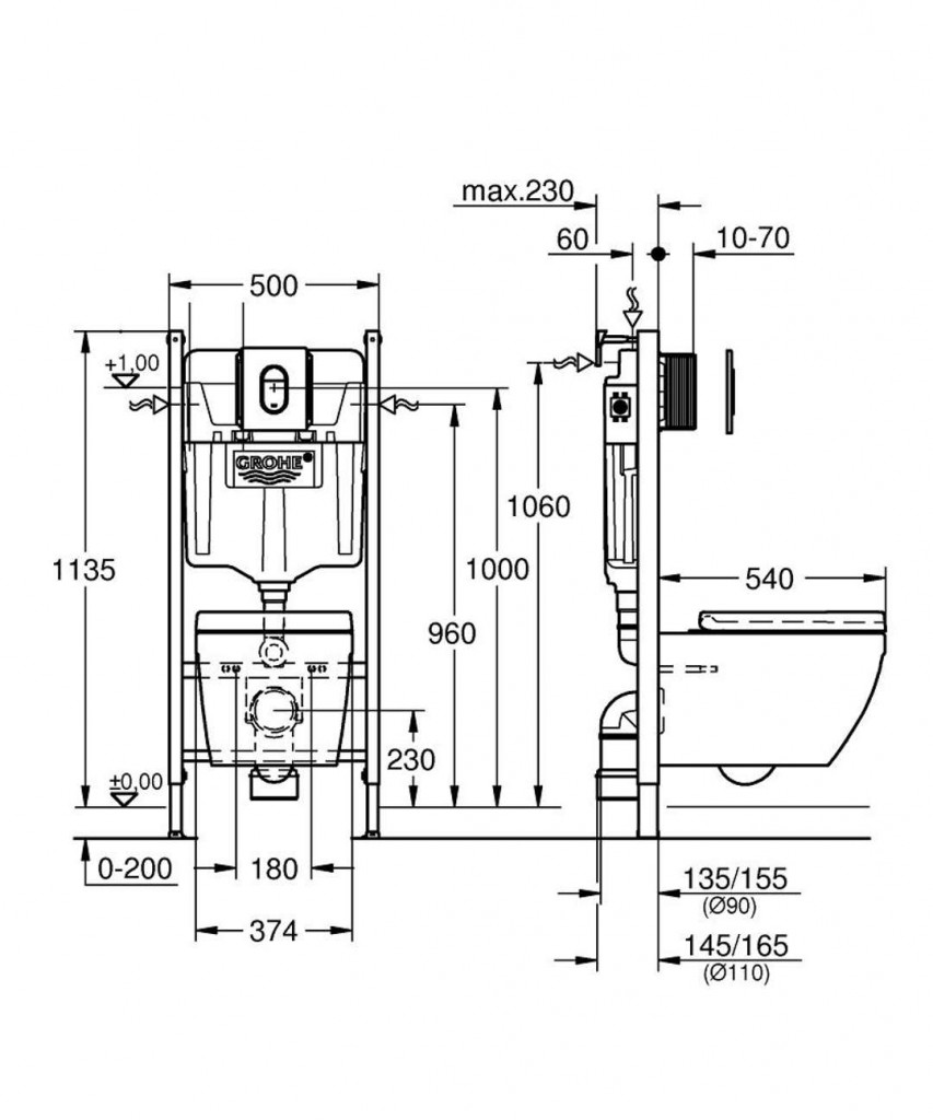
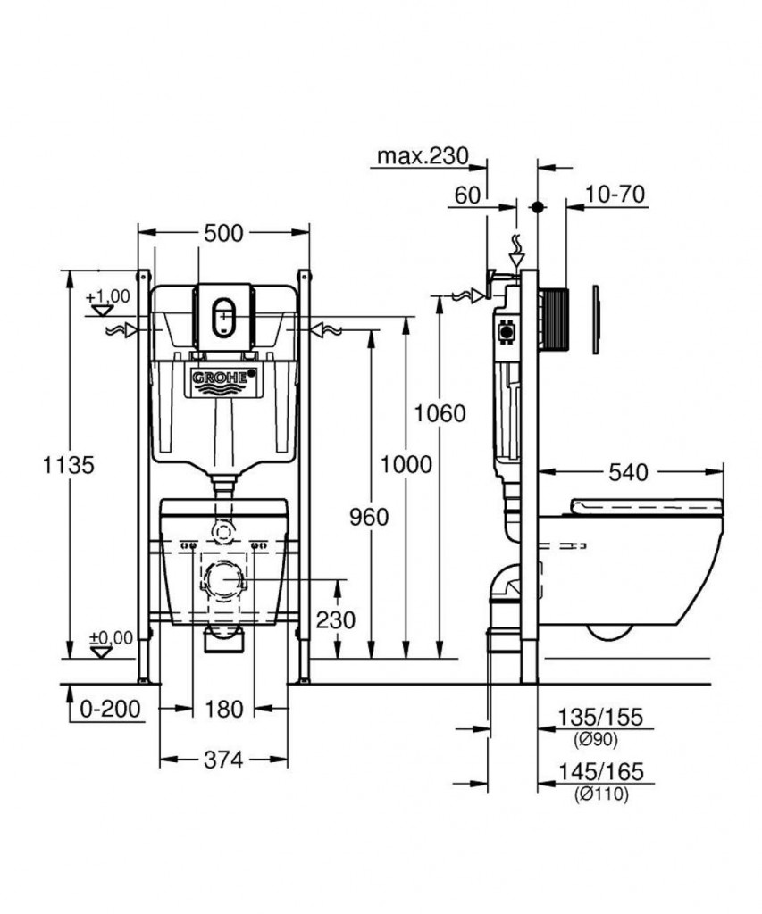
- stavební výška 1,13 m
- pro předstěnovou montáž nebo montáž do lehké příčky
- ocelový rám, práškové lakování, samonosný
- pro obložení sádrokartonem, kompletně předmontováno
- pevné objektové přípojky
- upevňovací materiál
- rychlé nastavení, uzamykatelné
- 2 úchyty pro WC
- upevnění keramiky
- rozteč šroubů 180/230 mm
- odpadní koleno Ø 90 mm
- hloubkově nastavitelné
- redukce Ø 90/110 mm
- přívodní a odpadní souprava
- splachovací nádrž 6 - 9 l (nastaveno z výroby na 6 l - 3 l)
- pneumatický odtokový ventil nabízí 3 režimy chodu: 2-činné splachování nebo start/stop a nebo nepřerušitelné (pouze start)
- možnost dopojení přívodu vody zleva/zprava/zezadu nebo shora
- skupina armatur I - nízká hlučnost
- izolováno od kondenzující vody
- pro instalaci není třeba nářadí
- kontrolní hřídele včetně ochrany během fáze výstavby
- přípojka vody DN 15 s integrovaným rohovým ventilem a šroubovým spojem bez použití nářadí
- pro vertikální nebo horizontální použití
- instalace na místě
- 2 nástěnné držáky s upevňovacím materiálem
závěsný klozet Euro Ceramic bez okrajového splachovacího kruhu (rimless)
- pro podomítkové nádrže
- hluboké splachování
- zadní odpad
- objem splachování 3/5 l
- včetně montážní sady
- rozměr: 540x374 mm
- glazovaná hladká keramika
- barva: alpská bílá
WC sedátko s funkcí pomalého sklápění SoftClose
- snadná demontáž WC sedátka
- materiál: duroplast
- barva: bílá
- včetně montážní sady
Ovládací tlačítko Arena Cosmopolitan
- pro 2-činné splachování nebo funkci start/stop
- pro pneumatický odtokový ventil AV1
- vertikální montáž
- rozměry: 156 x 197 mm
- materiál: ABS
- GROHE StarLight chromový povrch
- GROHE EcoJoy technologie pro nízkou spotřebu vody a perfektní průtok
Parametry
| Kód | 39700000 |
|---|
Na balení si zakládáme! Prohlédněte si, jak připravujeme a zabalíme Vaši objednávku.
