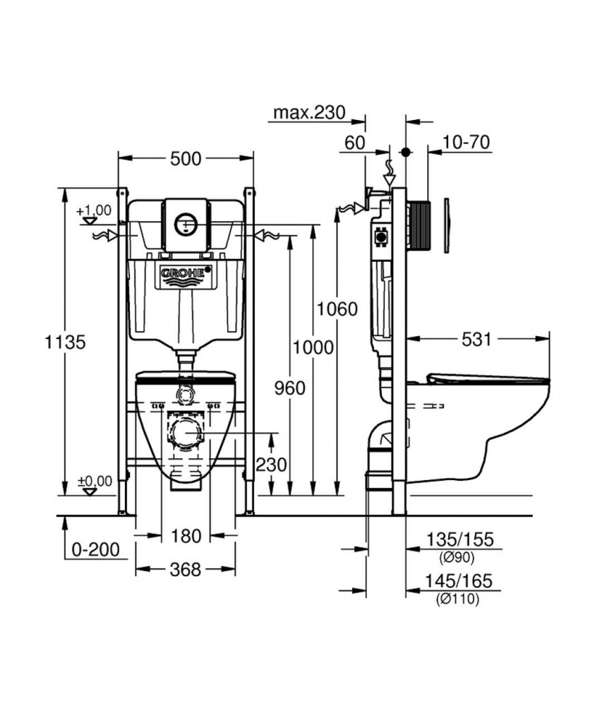
Kompletní instalační set pro závěsné WC
- předstěnový instalační modul se splachovací nádrží 6-9 l
- nástěnnou přípojku a soupravu pro tlumení hluku
- keramický závěsný klozet Bau Ceramic včetně Slim sedátka softclose
- 2-činné ovládací tlačítko Sail
- Grohe Fresh - s nádobkou pro umístění tablet
Solido Compact pro závěsné WC, splachovací nádrž GD 2
- stavební výška 1,13 m
- pro předstěnovou montáž nebo montáž do lehké příčky
- ocelový rám, práškové lakování, samonosný
- pro sádrokarton
- pevné objektové přípojky
- upevňovací materiál
- rychlé nastavení, uzamykatelné
- 2 úchyty pro WC
- upevnění keramiky
- rozteč šroubů 180/230 mm
- odpadní koleno Ø 90 mm
- hloubkově nastavitelné
- redukce Ø 90/110 mm
- přívodní a odpadní souprava
- splachovací nádrž 6 - 9 l (nastaveno z výroby na 6 l - 3 l)
- pneumatický odtokový ventil nabízí 3 režimy chodu: 2-činné splachování nebo start/stop a nebo nepřerušitelné (pouze start)
- možnost dopojení přívodu vody zleva/zprava/zezadu nebo shora
- skupina armatur I - nízká hlučnost
- izolováno od kondenzující vody
- pro instalaci není třeba nářadí
- kontrolní hřídele včetně ochrany během fáze výstavby
- přípojka vody DN 15 s integrovaným rohovým ventilem a šroubovým spojem bez použití nářadí
- pro vertikální nebo horizontální použití
- instalace na místě
- 2 úhelníky pro stěnu s upevňovacím materiálem
Závěsné WC Bau Ceramic
- rozměry: 368 x 531 mm
- materiál: sanitární keramika
- Rimless bez okrajového splachovacího kruhu
- zadní odpad
- objem splachování: 6/3 l
- glazovaná hladká keramika
WC sedátko Slim s poklopem a funkcí softclose
- materiál: duroplast
- barva: alpská bílá
- odnímatelné
- snadná demontáž
- panty z nerezové oceli
- včetně montážní sady
Ovládací tlačítko Sail
- pro 2-činné splachování nebo funkci start/stop
- pro pneumatický odtokový ventil AV1
- horizontální a vertikální montáž
- rozměry: 156 x 197 mm
- materiál: ABS
- GROHE StarLight chromový povrch
- GROHE EcoJoy technologie pro nízkou spotřebu vody a perfektní průtok
Přestavbový set Grohe Fresh
- pro splachovací nádrž GROHE GD 2 s pneumatickým výtlačným ventilem a standardním revizním otvorem
- rámeček s funkcí otevírání
- s nádobkou pro umístění tablet
- pouze pro bezchlórové tablety
Parametry
| Kód | 39900000 |
|---|
Na balení si zakládáme! Prohlédněte si, jak připravujeme a zabalíme Vaši objednávku.
