Kompletní set Solido Compact obsahuje
- předstěnový rám se splachovací nádrží
- ovládací tlačítko Even
- závěsný klozet Start Edge Ceramic
- WC sedátko se sklápěním SoftClose
- nástěnnou přípojku a soupravu pro tlumení hluku
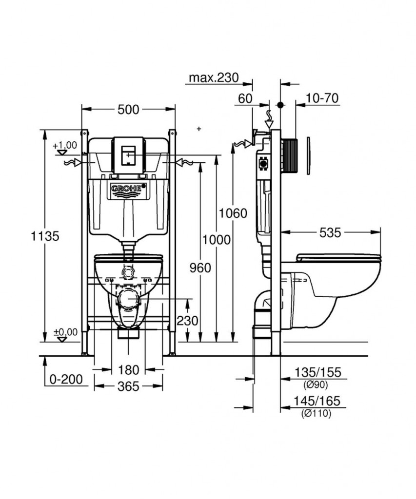
Solido Compact pro závěsné WC, splachovací nádrž GD 2
- stavební výška 1,13 m
- pro předstěnovou montáž nebo montáž do lehké příčky
- ocelový rám, práškové lakování, samonosný
- pro sádrokarton
- pevné objektové přípojky
- upevňovací materiál
- rychlé nastavení, uzamykatelné
- 2 úchyty pro WC
- upevnění keramiky
- rozteč šroubů 180/230 mm
- odpadní koleno Ø 90 mm
- hloubkově nastavitelné
- redukce Ø 90/110 mm
- přívodní a odpadní souprava
- splachovací nádrž 6 - 9 l (nastaveno z výroby na 3 l - 6 l)
- pneumatický odtokový ventil nabízí 3 režimy chodu: 2-činné splachování, start/stop nebo jedno splachování
- možnost dopojení přívodu vody zleva/zprava/zezadu nebo shora
- skupina armatur I - nízká hlučnost
- izolováno od kondenzující vody
- pro instalaci není třeba nářadí
- kontrolní hřídele včetně ochrany během fáze výstavby
- přípojka vody DN 15 s integrovaným rohovým ventilem a šroubovým spojem bez použití nářadí
- pro vertikální nebo horizontální použití
- instalace na místě
- 2 nástěnné držáky s upevňovacím materiálem
Závěsné WC Start Edge Ceramic
- hluboké splachování
- bezokrajové splachování rimless
- zadní odpad
- objem spláchnutí 3/5 l
- materiál: glazovaná hladká keramika
- barva: alpská bílá
WC sedátko s poklopem a funkcí SoftClose
- odnímatelné
- snadná demontáž
- materiál: duroplast
- barva: alpská bílá
Ovládací tlačítko Even
- pro 2-činné splachování nebo funkci start/stop
- pro pneumatický odtokový ventil AV1
- horizontální a vertikální montáž
- rozměr: 156 x 197 mm
- vyrobeno z ABS
- GROHE EcoJoy technologie pro nízkou spotřebu vody a perfektní průtok
- GROHE StarLight chromový povrch
Parametry
| Kód | 39816000 |
|---|
Na balení si zakládáme! Prohlédněte si, jak připravujeme a zabalíme Vaši objednávku.
