Kompletní instalační set pro závěsné WC obsahuje
- předstěnový instalační modul se splachovací nádrží 6-9 l
- nástěnnou přípojku a soupravu pro tlumení hluku
- keramický závěsný klozet Euro Ceramic včetně sedátka softclose
- 2-činné ovládací tlačítko Skate Cosmopolitan
- souprava pro vhazování WC tablet
- PVD odpadní trubka
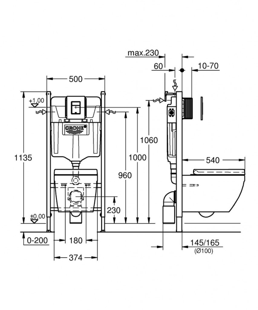
Solido Compact pro závěsné WC, splachovací nádrž GD 2
- stavební výška 1,13 m
- pro předstěnovou montáž nebo montáž do lehké příčky
- samonosný rám, práškové lakování
- pro obložení sádrokartonem
- pevné ocelové přípojky
- upevňovací materiál
- rychlé nastavení, uzamykatelné
- 2 úchyty pro WC
- upevnění keramiky
- rozteč šroubů 180 /230 mm
- odpadní koleno Ø 90 mm
- hloubkově nastavitelné
- redukce Ø 90/110 mm
- přívodní a odpadní souprava
- splachovací nádrž 6 - 9 l
- nastaveno z výroby na 3 l - 6 l
- pneumatický odtokový ventil nabízí 3 režimy chodu: 2-činné splachování, případně start /stop a nebo
- nepřerušitelné (pouze start)
- možnost připojení přívodu vody
- zleva/zprava/zezadu nebo shora
- skupina armatur I - nízká hlučnost
- izolováno od kondenzující vody
- GROHE Whisper minimalizující přenos hluku do sousedních pokojů
- pro instalaci není třeba nářadí
- kontrolní hřídele včetně ochrany během fáze výstavby
- přípojky vody DN 15 s integrovaným rohovým ventilem a šroubovým spojem bez použití nářadí
- pro vertikální nebo horizontální použití
- 2 úhelníky pro stěnu s upevňovacím materiálem
- instalace na místě
Závěsné WC Euro Ceramic
- Triple Vortex splachování
- záchodová mísa bez okrajového splachovacího kruhu (rimless)
- zadní odpad
- objem spláchnutí 3/5 l
- glazovaná hladká keramika
- barva: alpská bílá
WC sedátko s poklopem a funkcí softclose
- materiál: duroplast
- barva: alpská bílá
- odnímatelné
- snadná demontáž
- panty z nerezové oceli
Ovládací tlačítko Scate Cosmopolitan
- pro 2-činné splachování nebo funkci start/stop
- pro pneumatický odtokový ventil AV1
- vertikální montáž
- rozměr: 156 x 197 mm
- vyrobeno z ABS
- GROHE EcoJoy technologie pro nízkou spotřebu vody a perfektní průtok
- GROHE StarLight chromový povrch
GROHE Fresh přestavbový set
- rámeček s funkcí otevírání
- s nádobkou pro umístění tablet
- pouze pro bezchlórové tablety
Parametry
| Kód | 39891000 |
|---|
Na balení si zakládáme! Prohlédněte si, jak připravujeme a zabalíme Vaši objednávku.
