Ovládání WC Geberit s elektronickým spuštěním splachování, napájení ze sítě, typ 10 infračervené tlačítko
- k ručnímu oddálenému spuštění Sigma splachovacích nádržek pod omítku 12 cm přes bezdotykové infračervené tlačítko
- 2-činné splachování
- pro osazení do masivní konstrukce a konstrukce prováděné suchým procesem pomocí boxu pro hrubou montáž
- pro osazení do koupelnového nábytku pomocí kontramatice
- vhodný pro bezbariérové stavby
- pro Sigma splachovací nádržky pod omítku 12 cm
Vlastnosti
- barva: matná černá
- materiál: mosaz
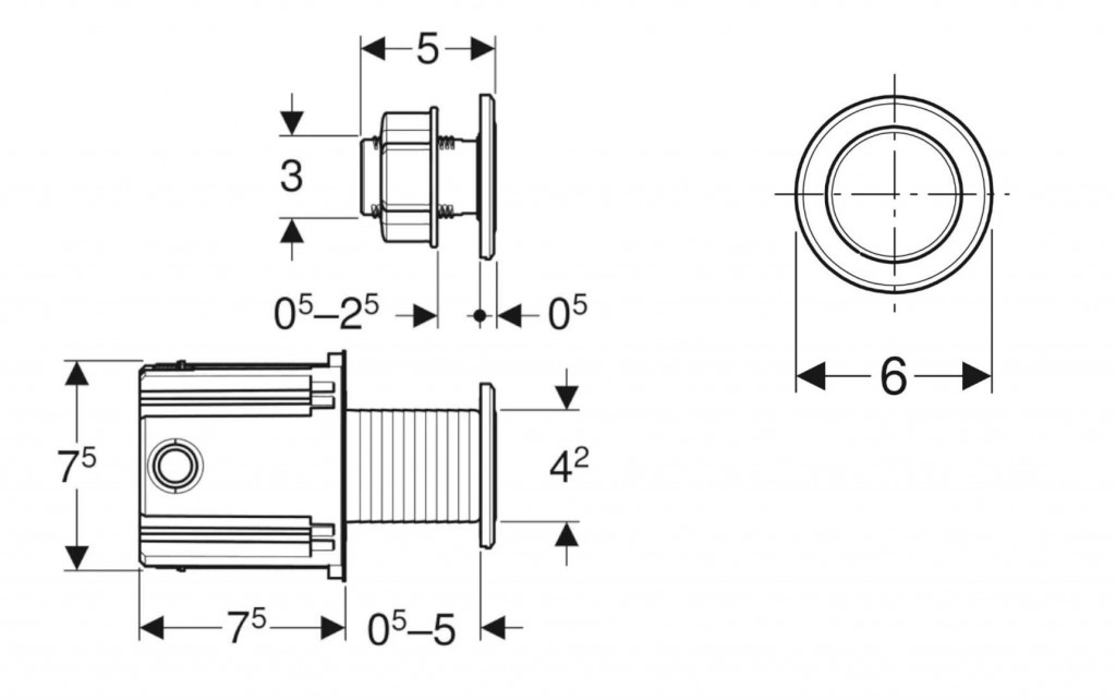
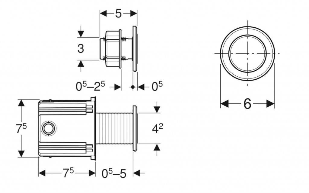
- průměr tlačítka: 60 mm
- ruční spuštění splachování, bezdotykové
- bezdotykové spuštění 1 množství splachování nebo 2 množství
- splachování přiblížením ruky
- 1-činné nebo 2-činné splachování s možností spouštění přes ovládací tlačítko
- lze kombinovat s ovládacími tlačítky Sigma01 až Sigma60 nebo krycími deskami Geberit
- napájení elektrickým proudem pomocí externího síťového zdroje
- transformace síťového napětí na nízké napětí 12 V DC
- provoz s nízkým napětím, ve splachovací nádržce žádné síťové napětí
- s konektory chráněnými proti přepólování
- interval spláchnutí přednastavený a nastavitelný
- nastavení přístroje a obsluha s mobilním zařízením přes integrované rozhraní Bluetooth
- kompatibilní s aplikací Geberit Control App
- spojené vodičem k síti s Geberit Gateway prostřednictvím konvertoru GEBUS
- bezdrátově spojený k síti s Geberit Gateway přes Bluetooth
- kompatibilní s Geberit Connect
- zvedací mechanismus s nízkou hlučností
- elektrické zvedací zařízení samokalibrovací
Technické údaje
- druh ochrany IP45
- jmenovité napětí 85-240 V AC
- síťová frekvence 50-60 Hz
- provozní napětí 12 V DC
- příkon ≤ 4 W
- příkon v klidu 0.15 W
- interval proplachu, rozsah nastavení 1-168 h
- interval spláchnutí, nastavení ve výrobě 24 h
- interval proplachu, rozsah nastavení 1–200 s
- interval spláchnutí, nastavení ve výrobě 5 s
Obsah balení
- infračervené tlačítko
- krabice pod omítku
- counternut
- trubková chránička délka 1,7 m
- držák se servomotorem a zvedacím zařízením, předmontovaný
- elektrické ovládání
Nutno objednat zvlášť
- ovládací tlačítko nebo krycí deska
- Geberit Power & Connect box
- síťový zdroj Geberit pro Power & Connect box
- sada Geberit Power & Connect boxu s dělící příčkou s připojovací svorkou
Parametry
| Kód | 115.936.14.6 |
|---|
Na balení si zakládáme! Prohlédněte si, jak připravujeme a zabalíme Vaši objednávku.
