Montážní prvek Uniset pro WC
- pneumatický odtokový ventil nabízí 3 režimy chodu: 2-činné splachování, start/stop nebo nepřerušitelné (pouze start)
- nastavitelný průtok 6 - 9 l
- PE-odpadní koleno DN 80
- přívodní a odpadní souprava
- ocelový rám, pozinkovaný, se 4 fixačními body
- 2 úchyty pro WC
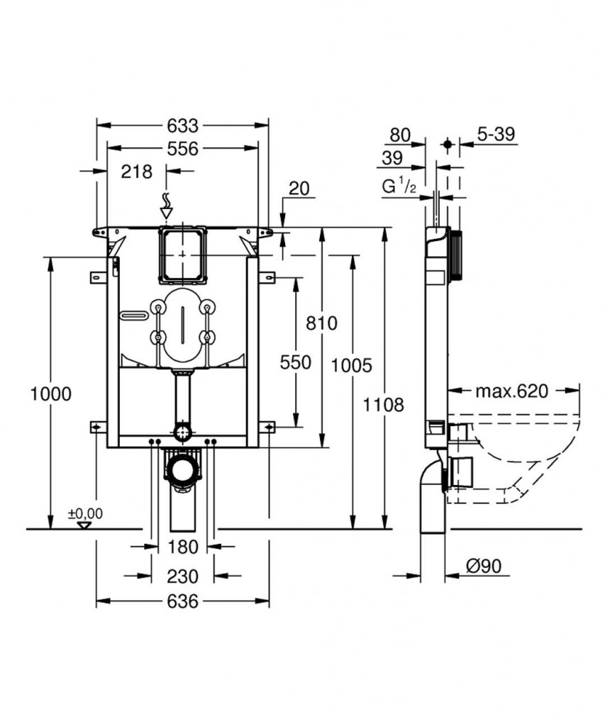
- rozteč šroubů 180/230 mm
- upevnění keramiky, přívod vody shora
- skupina armatur I - nízká hlučnost
- s vynilovou izolací pro nahození omítky
- rohový ventil DN 15
- s hadicí bez závitu, poze na potlačení
- obsahuje kontrolu hřídele
- ochrana při fázi výstavy, pro vertikální použití
- GROHE EcoJoy technologie pro nízkou spotřebu
Ovládací tlačítko není součástí dodávky
Parametry
| Kód | 38729000 |
|---|
Na balení si zakládáme! Prohlédněte si, jak připravujeme a zabalíme Vaši objednávku.
