Horizontální podlahová vpusť Varino
- K připojení zařizovacích předmětů
- K použití uvnitř budov
- Kontrola jakosti dle EN 1253-3
- Přívod otočný o 280°
- Přívod uzavřený
- Přívod pro připojení zařízení
- Výškově nastavitelný s prodlužovacím kusem
- Norná trubka demontovatelná bez nářadí
- Odolné proti nárazům
- Odolný vůči chemikáliím
- Zatížitelnost třída K 3 (3 kN)
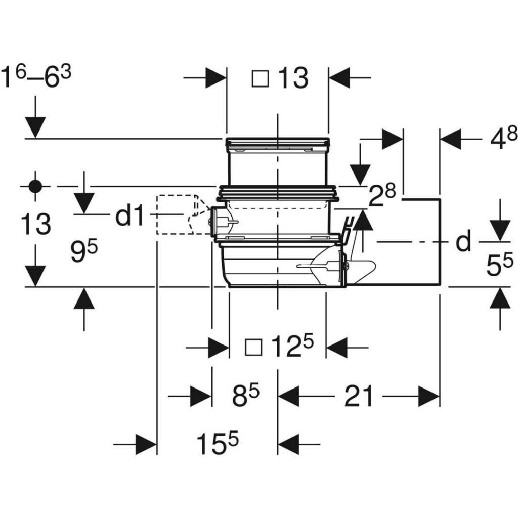
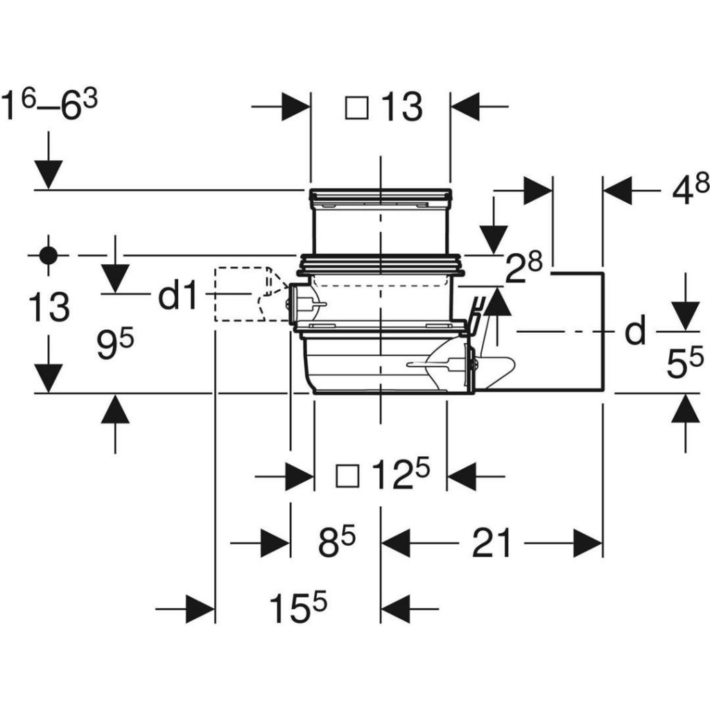
Technické údaje
- Jmenovitý přítok: 0.8 l/s
- Průtočná kapacita: 1.4 l/s
- Výška vodního uzávěru: 50 mm
Obsah dodávky
- Vtoková trubka z PE-HD, Ø 50 mm
- Vývod z PE-HD, Ø 110 mm
- Rošt z nerezové oceli
- Norná trubka
- Kryt pro hrubou montáž
Parametry
| Kód | 388.021.00.1 |
|---|
Na balení si zakládáme! Prohlédněte si, jak připravujeme a zabalíme Vaši objednávku.
