Protizámrzový ventil 5/4" je specializovaná armatura určená pro ochranu monoblokových tepelných čerpadel a jejich potrubních systémů před poškozením mrazem. Jeho hlavní funkcí je automatické vypouštění vody ze systému při poklesu teploty, čímž se zabrání zamrznutí a následnému poškození komponentů.
Jak ventil funguje?
Ventil je vybaven termostatickým prvkem, který reaguje na teplotu média (vody) uvnitř systému. Když teplota vody klesne na přibližně 3 °C, ventil se otevře a umožní odtok vody z potrubí. Tím se snižuje riziko zamrznutí vody uvnitř systému. Jakmile teplota média opět stoupne nad 4 °C, ventil se automaticky uzavře, čímž se systém vrací do běžného provozu.
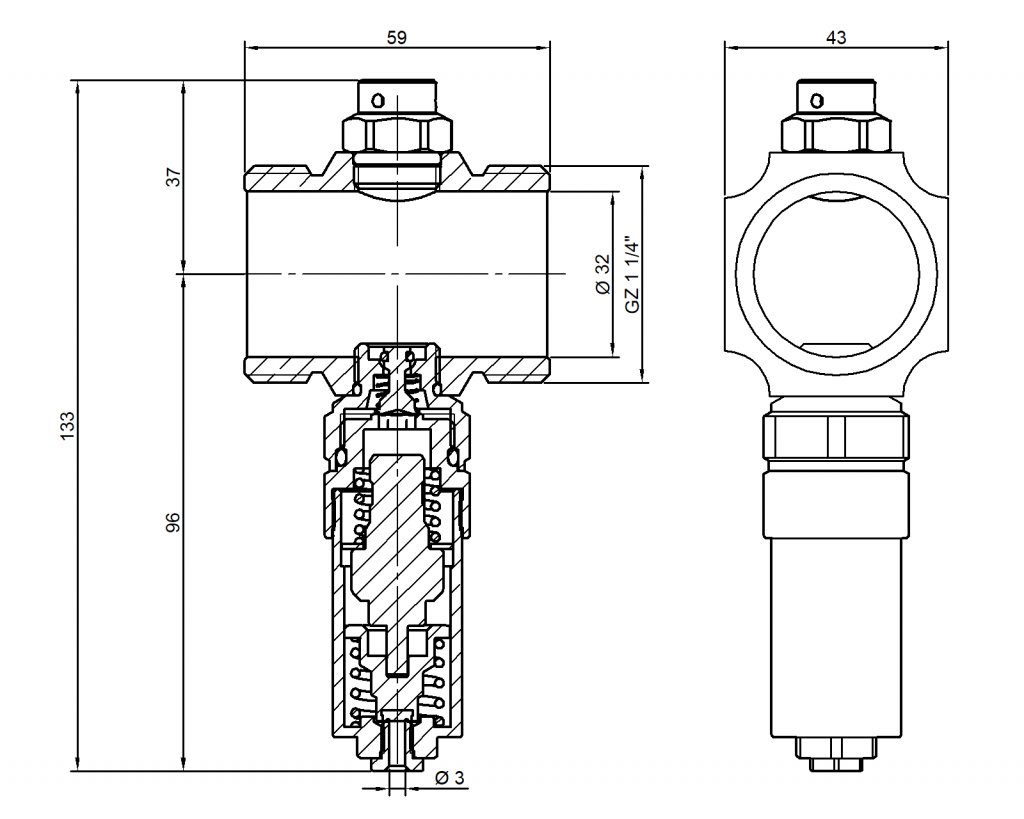
- Připojení: 2× G5/4" (1¼")
- Maximální provozní tlak: 10 bar
- Maximální teplota média: 70 °C
- Otevírací teplota: přibližně 3 °C
- Uzavírací teplota: přibližně 4 °C
- Materiál těla: mosaz
- Instalace: doporučuje se montáž ve svislé poloze s výtokem směrem dolů, co nejblíže k venkovní jednotce tepelného čerpadla
Tento ventil je ideální volbou pro systémy, kde není použita nemrznoucí směs, a kde hrozí riziko poklesu teplot pod bod mrazu, například při delších výpadcích elektrického proudu nebo poruchách systému. Jeho instalace výrazně zvyšuje bezpečnost a životnost celého topného systému.
Více než 25 let v oboru kuchyňských a koupelnových baterií - to jsme my - INVENA
Koupelnové a kuchyňské baterie jsou jedním z pilířů naší činnosti, kterou neustále rozvíjíme, abychom mohli poskytovat moderní řešení, která budou sloužit našim zákazníkům léta.
V současné době široká škála naší nabídky splňuje různorodé potřeby obou trhů: stavebnictví a interiérového designu.
Zaměřujeme se především na funkčnost a zajímavý design, proto naše produkty oceňují montéři, architekti a v konečném důsledku i uživatelé, kteří si mohou každodenní, domácí aktivity užívat po mnoho let.
Na balení si zakládáme! Prohlédněte si, jak připravujeme a zabalíme Vaši objednávku.
