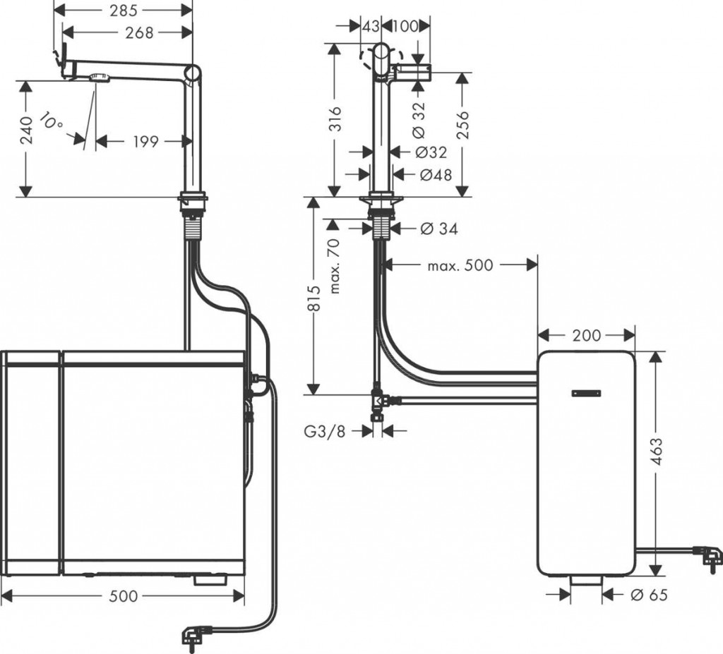
Startovací sada obsahuje
kuchyňskou pákovou baterii
- provedení: chrom
- ComfortZone 240
- rozsah otáčení 60° nebo 110°
- laminární proud
- maximální průtok při 3 barech: 6,5 l/min
- keramická kartuše
- typ připojení: G 3⁄8 připojení
- integrovaný zpětný ventil
- vhodné pro průtokové ohřívače vody
- nutný otvor pro baterii o Ø 35 mm
- 3 digitální tlačítka na výtoku baterie pro volbu chlazené filtrované vody (středně perlivá, perlivá a neperlivá)
- proud vody lze spustit a zastavit stisknutím tlačítka
- připojení filtru: G 3⁄8 vstup a výstup
hlavici filtru a mineralizační patronu Harmony
- objem filtru: 300 l
- doporučená životnost filtru: 6 měsíců
- použití: obohacuje vodu o minerály, redukuje škodlivé látky, nepříjemné pachy a zlepšuje chuť
- vhodný i pro tvrdou vodu
SodaSystem
- nevhodný pro průtokové ohřívače
- umožňuje kontrolu a sledování údajů o spotřebě pomocí aplikace hansgrohe home App
- chladící výkon: 7 l/h chlazené vody
- push upozornění na nízkou kapacitu filtru nebo CO2
- příkon: 170 W - fáze chlazení, 1,6 W - fáze pohotovostní
- napájení: 230 V ± 10 %
- maximální odběrné množství (chlazená/perlivá voda): 2 l/min
- MemoryFunction: umožňuje individuální plnění nádob na pití díky přednastavenému objemu vody
sBOX
- umožňuje snadné uložení hadice v dřezové skříňce
- hadice se vytahuje až 76 cm a zaručuje příjemnou práci a volnost pohybu v okolí dřezu
- má tichý chod a chrání hadici před poškozením
- flexibilní možnosti instalace boxu (svislá i zešikmená)
- závaží usnadňuje hladký pojezd vytahovací spršky
- má plochý tvar, méně než 30 mm pro případnou instalaci ve stísněných podmínkách
Parametry
| Kód | 76837000 |
|---|
Na balení si zakládáme! Prohlédněte si, jak připravujeme a zabalíme Vaši objednávku.
