Montážní prvek Duofix pro umyvadlo, stavební výška 130 cm
Účel použití
- Pro kovové a dřevěné sloupkové stěny
- Pro systémové stěny Geberit Duofix
- K montáži do čelních stěn částečně vysokých nebo vysokých na výšku místnosti
- K montáži do dělicích stěn vysokých na výšku místnosti
- Vhodný pro bezbariérové stavby
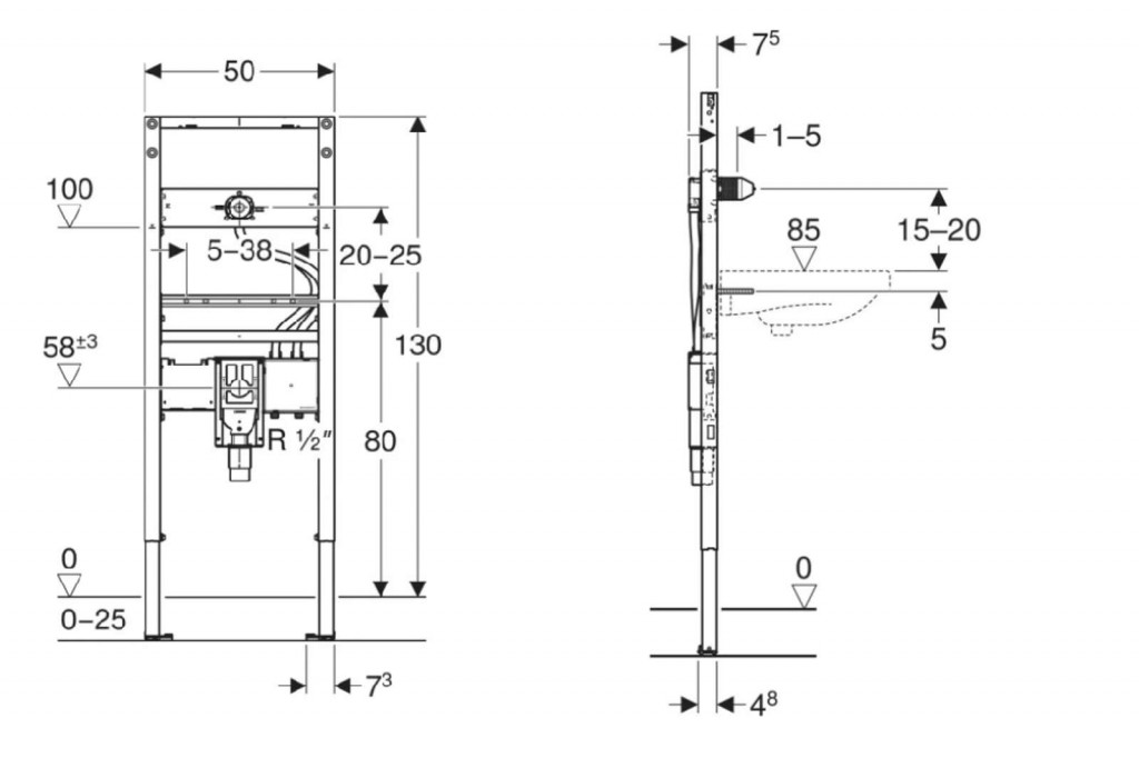
- Pro tloušťky podlahy 0–25 cm
- K montáži umyvadel
- Pro umyvadlové armatury Piave a Brenta, pro nástěnnou montáž, pro podomítkový funkční box
Vlastnosti
- Samonosný rám s nanesenou práškovou barvou
- Podpěry pozinkované
- Podpěry s protiskluzovou úpravou
- Patní desky otočné
- Hloubka patní desky vhodná k montáži do U profilů UW 50 a UW 75 a do systémových profilů Geberit Duofix
- Vzdálenost upevnění umyvadlo 5–38 cm
- Deska pro připojení armatur výškově nastavitelná
- Upevnění pro nástěnnou armaturu předmontované
- Zápachová uzávěrka pod omítku s optimálním vedením proudění a vysokou samočisticí schopností
- Zápachová uzávěrka pod omítku při konečné montáži výškově nastavitelná ± 3 cm
- Krabice pro montáž do stěny s připojovací trubkou z PP, Ø 50 mm
- Přívod vody vhodný pro MeplaFix
- Upevnění pro připojovací koleno výškově nastavitelné a zvukově izolované
- Krabice pod omítku pro umyvadlové armatury Geberit, nástěnná montáž, s funkčním boxem pod omítku, předmontovaná
- Připojovací trubky mezi krabicí pod omítku a upevnění pro nástěnnou armaturu předmontované
- Uzavírací jednotky integrované do krabice pod omítku
- Přívod vody na krabici pod omítku, dole
- Svorka pro připojení elektřiny pro přívod elektřiny v krabici pod omítku
Rozsah dodávky
- Kryt pro hrubou montáž
- Upevňovací materiál
- Kryt pro hrubou montáž s víkem, pro krabici pod omítku
- Kryt pro hrubou montáž pro upevnění pro nástěnnou armaturu
Souprava pro předstěnovou montáž není součástí dodávky, je třeba objednat zvlášť
Parametry
| Kód | 111.561.00.2 |
|---|
Na balení si zakládáme! Prohlédněte si, jak připravujeme a zabalíme Vaši objednávku.
