Montážní prvek Duofix pro umyvadlo, montáž na stěnu s funkčním boxem pod omítku
Účel použití
- Pro konstrukce prováděné suchým procesem
- K montáži do předstěnových instalací částečně vysokých nebo vysokých na výšku místnosti
- K montáži do instalačních stěn vysokých na výšku místnosti
- K montáži do systémových stěn Geberit Duofix částečně vysokých nebo vysokých na výšku místnosti
- K montáži umyvadel
- Pro umyvadlové armatury Geberit, nástěnná montáž, s funkčním boxem pod omítku
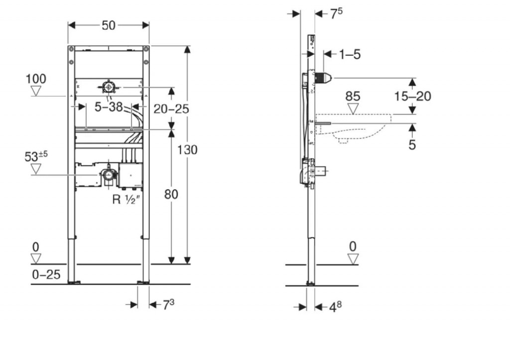
- Pro tloušťky podlahy 0–25 cm
Vlastnosti
- Staticky samonosný rám, chráněný proti korozi práškovým potahem
- S výsuvnou deskou pro boční upevnění nad montážním prvkem na kovové nebo dřevěné profily nebo na systémové stojiny Geberit Duofix
- Alternativní montážní poloha pro nástěnné kotvy
- Patní desky lze otáčet, vhodné pro montáž do U profilů UW 50 a UW 75
- Patní desky lze instalovat do systémové lišty Geberit Duofix bez nářadí, bez dalších komponentů
- Pozinkované podpěry, chráněné proti korozi, s protiskluzovými vlastnostmi
- Rozteč upevnění umyvadla 5–38 cm
- S roztečí upevnění 18 nebo 28 cm, nastavitelná hloubka závitových tyčí
- Deska pro připojení armatur výškově nastavitelná
- Upevnění pro nástěnnou armaturu předinstalovaná
- Přívod vody vhodný pro MasterFix a MeplaFix
- Přívod vody na krabici pod omítku dole
- Upevnění pro připojovací koleno výškově nastavitelné a zvukově izolované
- Krabice pod omítku pro umyvadlové armatury Geberit, nástěnná, s funkčním boxem pod omítku, předmontovaná
- Připojovací trubky mezi krabicí pod omítku a upevnění pro nástěnnou armaturu předmontované
- Uzavírací jednotky integrované do krabice pod omítku
- Svorka pro připojení elektřiny pro přívod elektřiny v krabici pod omítku
Rozsah dodávky
- Připojovací koleno z PE-HD, Ø 50 mm
- Těsnění Ø 44 / 32 mm
- Kryt pro hrubou montáž s víkem, pro krabici pod omítku
- Kryt pro hrubou montáž pro upevnění pro nástěnnou armaturu
- Upevňovací materiál
Souprava pro předstěnovou montáž není součástí dodávky, je třeba objednat zvlášť
Parametry
| Kód | 111.558.00.2 |
|---|
Na balení si zakládáme! Prohlédněte si, jak připravujeme a zabalíme Vaši objednávku.
