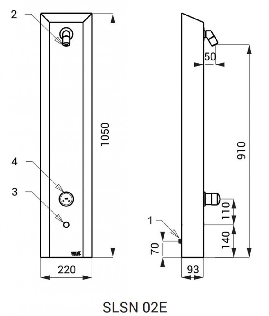
Nástěnný sprchový panel s elektronikou ALS
- hygienický proplach
- antivandalové provedení
- se zabudovaným automatickým ovládáním vody
- sprchová hlavice s nastavením úhlu výtoku
- je určen pro přívod teplé a studené vody, nastavení teploty směšovací kartuší
- reaguje na přítomnost osoby ve snímané zóně okamžitým spuštěním vody
- k vypnutí vody dojde po vystoupení osoby ze snímané zóny (možno nastavit v rozsahu 0,25 – 7,75 s), standardně 3 s
- bezpečnostní funkce vypnutí vody po 5 minutách
- možnost přepnutí do režimu START/STOP
- hlídání stavu baterie
- nastavení parametrů pomocí dálkového ovladače SLD 03
- materiál: AISI 304
- povrch matný
Technická specifikace
- napájecí napětí: 6 V
- příkon při napájení 6 V: 3 W
- dosah standardně: 0,27 - 0,35 m
- doporučený pracovní tlak 0,1-0,6 MPa
- průtok: 12 l/min
- vstup vody: vnější závit G 1/2
Obsah dodávky
- sprchový panel s elektronikou
- elektromagnetický ventil 1 ks, směšovací baterie
- propojovací hadice, rohový ventil s filtrem a zpětnou klapkou 2 ks
- sada 4 ks alkalických baterií AA, 1,5 V, 2700 mAh (životnost cca 2 roky)
- dálkové ovládání není součástí balení
Parametry
| Kód | SLSN 02EB |
|---|
Na balení si zakládáme! Prohlédněte si, jak připravujeme a zabalíme Vaši objednávku.
