Elektronická umyvadlová armatura Brenta se směšovačem, pro funkční box pod omítku
Účel použití
- k odběru pitné vody
- pro veřejný a poloveřejný sektor
- k montáži do instalačních prvků Geberit pro umyvadlo
- nástěnná armatura s funkčním boxem pod omítku
- pro připojení studené a teplé vody (jen u provedení se směšovačem)
- pro připojení studené a smíchané vody (jen u provedení bez směšovače)
- pro použití s nerezovými dřezy
- provedení se směšovačem není určeno pro průtokový ohřívač
- pro tloušťky opláštění 10–50 mm
Vlastnosti
- skupina armatur I podle DIN 4109
- automatické spuštění vody
- infračervené čidlo pro zaznamenání uživatele
- infračervený senzor samonastavitelný
- systém antivandal - odolný proti vandalům
- omezení průtoku usměrňovačem proudu vody
- nastavení teploty přes směšovač (pouze u provedení se směšovačem)
- voda nastavitelná jako ne pouze teplá nebo ne pouze studená (pouze u provedení se směšovačem)
- napájení z baterie
- ochrana proti opaření omezením teploty na 42°C (pouze u modelu s termostatickým směšovačem)
- možnost tepelné dezinfekce dle DVGW W 551
- baterie stačí na 200 000 spuštění
- výstraha v případě slabé baterie
- ekonomický režim provozu nastavitelný
- úspora vody díky dvouproudové snímací technice s rychlou reakcí
- funkce je možné servisním dálkovým ovládáním nastavit a dotazovat
- program úspora vody nastavitelný
- program intervalu propláchnutí nastavitelný
- trvalé propláchnutí individuálně nastavitelné
- ovládání spouštění deaktivovatelné pomocí ovládání pro údržbu Geberit
- různé funkce ručně nastavitelné
- se zabudovaným zpětným ventilem
- funkční jednotka se zabudovanými košíkovými filtry
Technické údaje
- provedení: pochromovaná mosaz
- materiál: plast
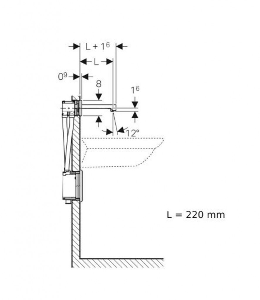
- délka výtoku: 220 mm
- typ baterie: Alkalická baterie (2x 1,5 V AA)
- teplota vody - rozsah nastavení s termostatickým směšovačem 20-42 °C
- druh ochrany: IPX4
- maximální teplota vody: 60 °C
- provozní napětí: 3 V DC
- maximální teplota vody krátkodobá: 90 °C
- provozní tlak: 50-1000 kPa
- průtok při tlaku 3 bar: 5 l/min
- doporučený provozní tlak s termostatickým směšovačem 50-500 kPa
- minimální přetlak pro výpočtový průtok 50 kPa
- rozdíl tlaku studená/teplá voda: ≤ 150 kPa
- interval proplachu, rozsah nastavení 1-168 h
- maximální zkušební tlak vody 1600 kPa
- interval spláchnutí, nastavení ve výrobě: 24 h
- maximální zkušební tlak vzduchu / inertního plynu: 300 kPa
- interval proplachu, rozsah nastavení 5-200 s
- teplota okolí 1-40 °C
- interval spláchnutí, nastavení ve výrobě 5 s
- teplota skladování -20 - +70 °C
- materiál mosaz pochromovaná / plast
Obsah dodávky
- umyvadlová baterie
- infračervený senzor s připojovacím kabelem
- řídicí elektronika
- funkční jednotka
- pouzdro pro baterii
- 2 alkalické manganové baterie typu AA, 1,5 V
- klíč pro usměrňovač proudu vody
- upevňovací materiál
Prvek Geberit pro umyvadlo a krycí deska nejsou součástí dodávky.
Parametry
| Kód | 116.298.21.1 |
|---|
Na balení si zakládáme! Prohlédněte si, jak připravujeme a zabalíme Vaši objednávku.
